Котел VIESSMANN Vitorond 100 KC4 27 кВт - инструкция пользователя по применению, эксплуатации и установке на русском языке. Мы надеемся, она поможет вам решить возникшие у вас вопросы при эксплуатации техники.
Если остались вопросы, задайте их в комментариях после инструкции.
"Загружаем инструкцию", означает, что нужно подождать пока файл загрузится и можно будет его читать онлайн. Некоторые инструкции очень большие и время их появления зависит от вашей скорости интернета.

Пример
3
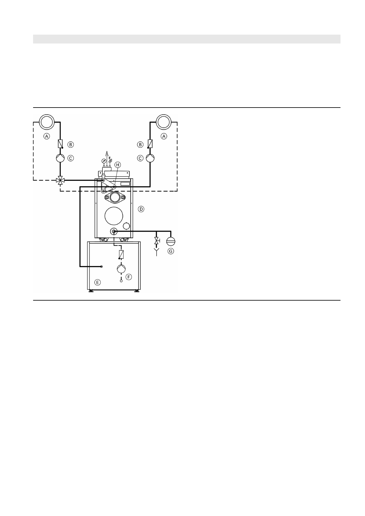
Отопительная установка с
1
отопительным конт уром со
смесителем
, 1
отопительным контуром без смесителя и функ
-
цией приготовления горячей воды с помощью подставного
емкостного водонагревателя
.
Присоединение отопительных контуров с помощью комплекта
подключения отопительных конт уров
Divicon,
тройников и
адаптера
Divicon.
A
Отопительный контур
B
Подпружиненный обратный клапан
C
Циркуляционный насос отопительного конт ура
D
Vitorond 100
с
Vitotronic 200 (
тип
KW5),
группой безопасно
-
сти с воздухоудалителем
,
предохранительным клапаном и
манометром
,
адаптером
Divicon
и
1
комплектом
Divicon
со
смесителем
,
а также
2
тройниками
(G 1½ × 1½ × 1½).
E
Подставной емкостный водонагреватель со сборным
межсоединением
F
Циркуляционный насос греющего контура емкостного
водонагревателя с подпружиненным обратным клапаном
(
входит в комплект поставки межсоединения
)
G
Расширительный сосуд
H
Присоединение к тройнику межсоединения подающей
магистрали непосредственно подключенного отопитель
-
ного контура
Указание
Отопительный контур
,
подключаемый непосредственно
,
т
.
е
.
без смесителя
,
должен реализовываться
без
регуля
-
тора отопительного контура
Divicon.
Для этого подающую
магистраль отопительного контура подсоединяют к трой
-
нику подающей магистрали емкостного водонагревателя
(
тройник входит в комплект поставки межсоединения
)
на
адаптере
Divicon.
Обратную магистраль отопительного
контура подсоединяют к тройнику между комплектом
Divi-
con
и адаптером
Divicon.
Свободный отвод
2
‐
го тройника
заглушают
.
5829
152
–
7
GUS
VITOROND 100
VIESMANN
11
Примеры применения
(
продолжение
)