Котел VIESSMANN Vitogas 100 48 кВт, 100/КС4В - инструкция пользователя по применению, эксплуатации и установке на русском языке. Мы надеемся, она поможет вам решить возникшие у вас вопросы при эксплуатации техники.
Если остались вопросы, задайте их в комментариях после инструкции.
"Загружаем инструкцию", означает, что нужно подождать пока файл загрузится и можно будет его читать онлайн. Некоторые инструкции очень большие и время их появления зависит от вашей скорости интернета.

Без смесителя
например
,
с
Vitotronic 100, 150
или
200
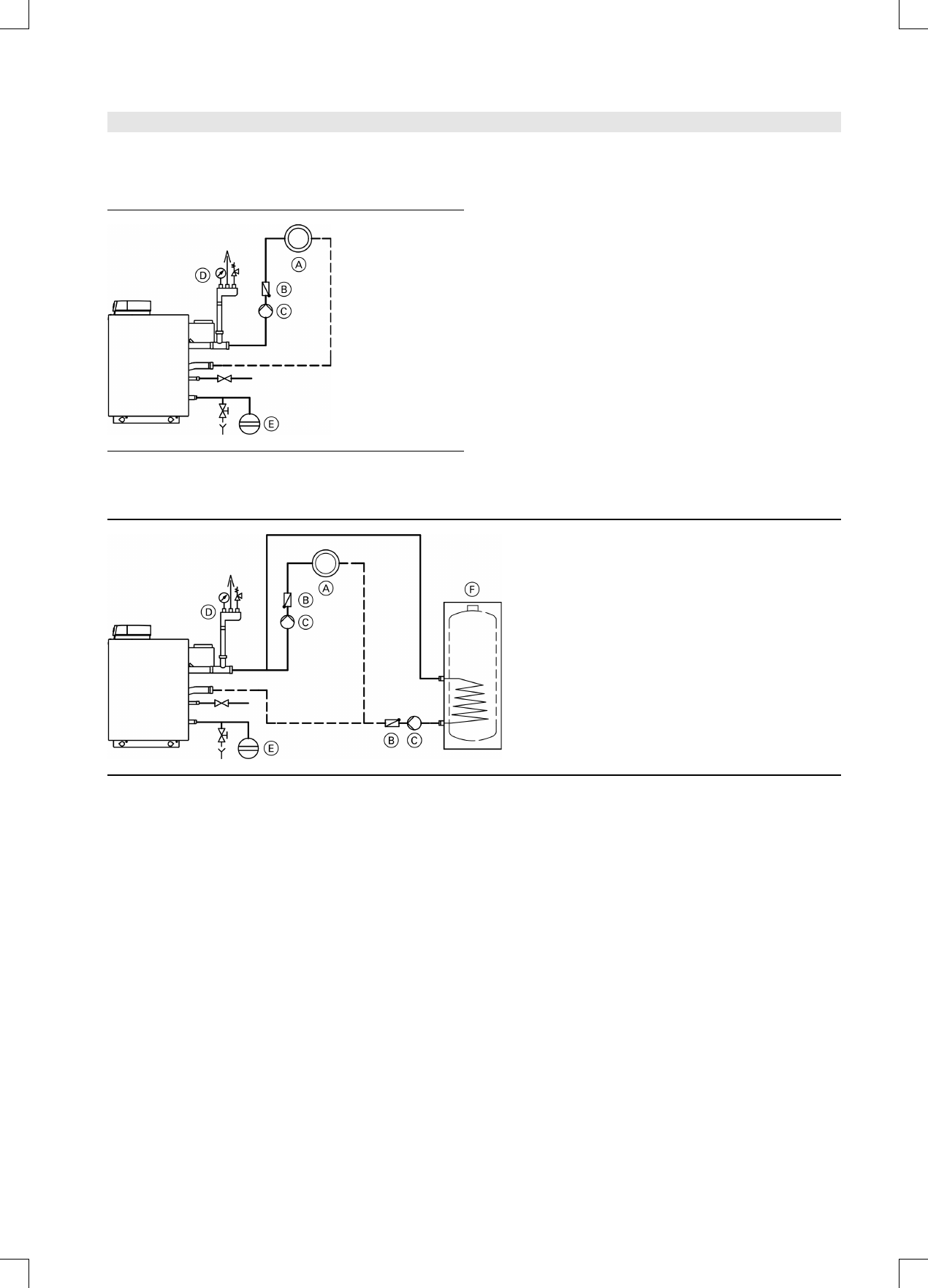
A
Отопительный контур
B
Подпружиненный обратный клапан
C
Циркуляционный насос
D
Группа безопасности с воздухоудалителем
,
предохра
-
нительным клапаном и манометром
E
Расширительный бак
A
Отопительный контур
B
Подпружиненный обратный клапан
C
Циркуляционный насос
D
Группа безопасности с воздухоудалителем
,
предохра
-
нительным клапаном и манометром
E
Расширительный бак
F
Емкостный водонагреватель
(
с внутренним нагревом
)
5829
390
GUS
VITOGAS 100
‐
F
VIESMANN
9
Примеры применения
(
продолжение
)













Прохудился в теплообменник, давление упало,котёл отключился(витогаз 100).После замены котёл не запускается. В чём причина? Как запустить?