Котел VIESSMANN Vitogas 100 42 кВт, 200/КС4В - инструкция пользователя по применению, эксплуатации и установке на русском языке. Мы надеемся, она поможет вам решить возникшие у вас вопросы при эксплуатации техники.
Если остались вопросы, задайте их в комментариях после инструкции.
"Загружаем инструкцию", означает, что нужно подождать пока файл загрузится и можно будет его читать онлайн. Некоторые инструкции очень большие и время их появления зависит от вашей скорости интернета.

С
4
‐
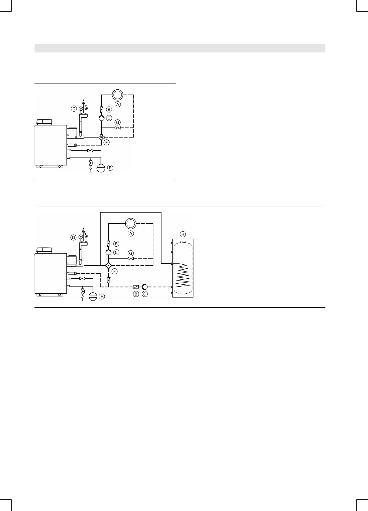
ходовым смесителем контроллера котлового контура
например
,
с
Vitotronic 200,
тип
KW5
и комплектом привода смесителя для одного отопительного контура со смесителем
A
Отопительный контур
B
Подпружиненный обратный клапан
C
Циркуляционный насос
D
Группа безопасности с воздухоудалителем
,
предохра
-
нительным клапаном и манометром
E
Расширительный бак
F
4
‐
ходовой смеситель
G
Байпас
Байпас необходим только для внутрипольного отопления
или низкотемпературных систем отопления
,
в которых
отопительный контур рассчитан на разность температур
< 15 K.
A
Отопительный контур
B
Подпружиненный обратный клапан
C
Циркуляционный насос
D
Группа безопасности с воздухоудалителем
,
предохра
-
нительным клапаном и манометром
E
Расширительный бак
F
4
‐
ходовой смеситель
G
Байпас
Байпас необходим только для внутрипольного отопления
или низкотемпературных систем отопления
,
в которых
отопительный контур рассчитан на разность температур
< 15 K.
H
Емкостный водонагреватель
(
с внутренним нагревом
)
5829
390
GUS
10
VIESMANN
VITOGAS 100
‐
F
Примеры применения
(
продолжение
)












