Котел TITAN Z75E - инструкция пользователя по применению, эксплуатации и установке на русском языке. Мы надеемся, она поможет вам решить возникшие у вас вопросы при эксплуатации техники.
Если остались вопросы, задайте их в комментариях после инструкции.
"Загружаем инструкцию", означает, что нужно подождать пока файл загрузится и можно будет его читать онлайн. Некоторые инструкции очень большие и время их появления зависит от вашей скорости интернета.

ОТОПИТЕЛЬНЫЙ КОТЁЛ «TITAN Z»
17
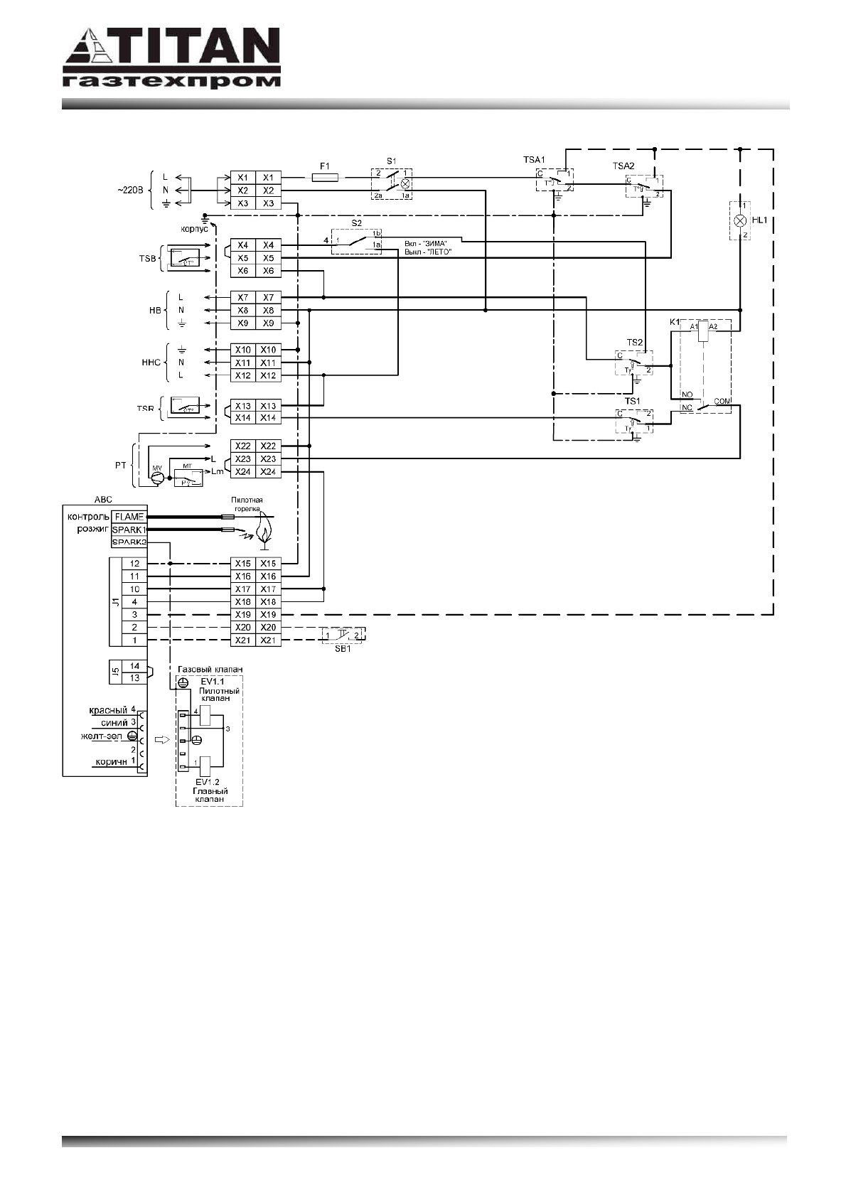
Рисунок 7. Электрическая схема котлов TITAN Z30E; Z40E; Z50E; Z60E, Z65E.
Условные обозначения на электрических схемах котлов
ABC - Блок управления газовым клапаном;
F1
- Предохранитель 4А;
HL1
- Индикатор "АВАРИЯ";
HB
- Насос бойлера (подключается потребителем);
HHC - Насос системы отопления (подключается
потребителем);
PT
- Турбо надставка на дымоходе котла (подключается
потребителем);
K1
- Реле приоритета ГВС;
S1
- Выключатель питания котла;
S2
- Переключатель "ЗИМА/ЛЕТО";
SB1
- Кнопка "СБРОС АВАРИИ";
TSA1 - Аварийный термостат по перегреву воды;
TSA2 - Аварийный термостат нарушения тяги в дымоходе;
TSB
- Термостат бойлера (подключается потребителем);
TSR
- Комнатный термостат (подключается потребителем);
TS1 - Регулировочный термостат (для котлов TITAN Z30E;
Z40E; Z50E; Z60E, Z65E);
TS1.1, TS1.2 - Двухступенчатый регулировочный термостат
(для котлов TITAN Z75E; Z85E; Z95E);
TS2
- Термостат нагрева воды для системы ГВС 87°С;
X1...Х31 - Клеммная колодка;













