Котел Термекс THERMEX Tesla 6-12 Wi-Fi ЭдЭБ02792 - инструкция пользователя по применению, эксплуатации и установке на русском языке. Мы надеемся, она поможет вам решить возникшие у вас вопросы при эксплуатации техники.
Если остались вопросы, задайте их в комментариях после инструкции.
"Загружаем инструкцию", означает, что нужно подождать пока файл загрузится и можно будет его читать онлайн. Некоторые инструкции очень большие и время их появления зависит от вашей скорости интернета.
Загружаем инструкцию

29
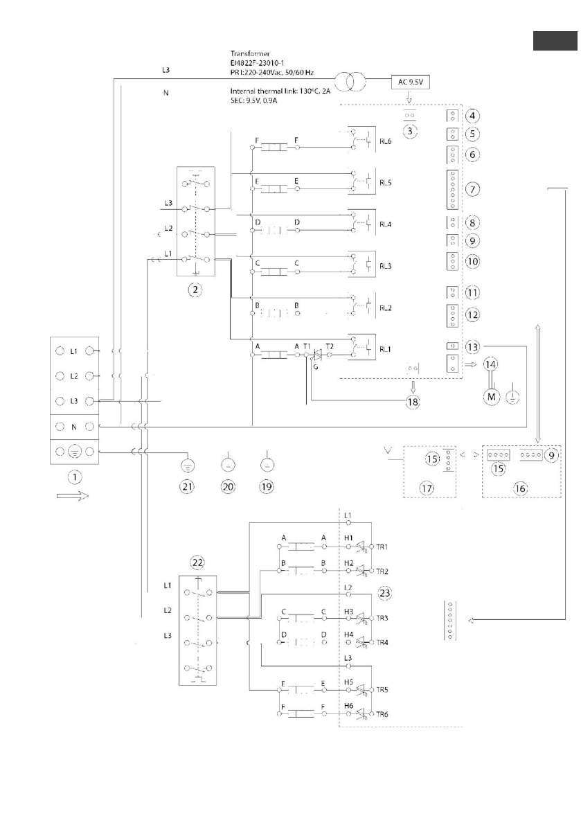
Рис
.11
. Электрическая схема
RU
Содержание
- 3 Технология беспроводной; юща я стабильную многопользователь-; Другие товары с удаленным; Отопление; Водоснабжение
- 5 УКАЗАНИЕ МЕР БЕЗОПАСНОСТИ
- 7 мм
- 9 КОНСТРУКЦИЯ ИЗДЕЛИЯ
- 17 Сброс настроек
- 21 Thermex
- 22 Блокировка панели управления: «Защита от детей»
- 26 разъемом
- 30 Внимание! Каждый провод и клемма должны быть плотно затя-
- 31 ЭЛЕКТРИЧЕСКАЯ СХЕМА; PCB
- 38 дования; Отключите подачу электропитания и слейте теплоноситель из си-
- 39 ПОИСК И УСТРАНЕНИЕ НЕИСПРАВНОСТЕЙ; . Коды ошибок, расшифровки и рекомендации по устранению
- 43 СВЕДЕНИЯ ОБ ИЗГОТОВИТЕЛЕ; THERMEX; Все модели прошли обязательную сертификацию и соответствуют
- 44 Tel
- 45 ОТМЕТКА О ПРОДАЖЕ; Фирма; ОТМЕТКА ОБ УСТАНОВКЕ
Как поменять без файфая на 6 кв?
Котел термекс Тесла 6-12 квт, не включается. Была проблема по электрике пропал 0, после того как сети починили котел больше не смог включить. Нашел на плате предохранитель он целый, что может быть?
Здравствуйте. Подскажите пожалуйста. Котёл Термекс Тесла 12-24 двухконтурный.
Началось с того, что при его включении мигали маленькие лампочки. Потом перестали мигать.
Затем в батарее забулькало в один день и перестал держать температуру на за данном уровне. На 9 градусов меньше держал. Площадь обогрева маленькая 45.
Затем стал вырубать автомат на 32
Поменяли автомат
Работал так же на 9 градусов меньше.
Потом приехали вечером домой. Отключился. Табло горит. На нем 19 градусов и скорость насоса 0. На на осе попереключали скорость на максимум. Заработал. Но температура стала на 16 градусов ниже заданной.
В чем проблема. Ошибки не пишет
Добрый вечер вам ответили от производителя? У меня такая же проблема если починили то как
После двух месяцев работы перестал включатся в режиме выносного датчика температуры. Даже режим антизамерзания не включает котел. Пришлось перейти в режим без датчика. При переключении обратно d28 на 2, при вращении датчика в минимум можно толь один раз выключить, обратно не включается, датчик исправнвй.
Котел не работает табло горит, скорость потока 0, температура теплоносителя 22°с, при попытке включения насос начинает крутить скорость потока скачет а иногда просто стоит по нулям что может быть?