Котел Теплодар КУППЕР ПРАКТИК-202018 - инструкция пользователя по применению, эксплуатации и установке на русском языке. Мы надеемся, она поможет вам решить возникшие у вас вопросы при эксплуатации техники.
Если остались вопросы, задайте их в комментариях после инструкции.
"Загружаем инструкцию", означает, что нужно подождать пока файл загрузится и можно будет его читать онлайн. Некоторые инструкции очень большие и время их появления зависит от вашей скорости интернета.

7
Любители тепла
одобряют!
Выбор котла имеет первостепенное значение при проектировании си-
стемы отопления и требует предметной консультации с квалифицированным
специалистом. Какая модель подойдёт в конкретном случае зависит от объёма
отапливаемого помещения, конструкции здания, вида системы отопления то-
плива и теплоносителя, и многого другого.
На котле предусмотрена установка регулятора горения с присоединитель-
ной резьбой G3/4’’ .
Для безопасной и безаварийной работы котла в малообъемной системе
отопления или системе, выполненной полимерными трубопроводами, реко-
мендуется использовать согласующее устройство ― гидроразделитель произ-
водства «Теплодар».
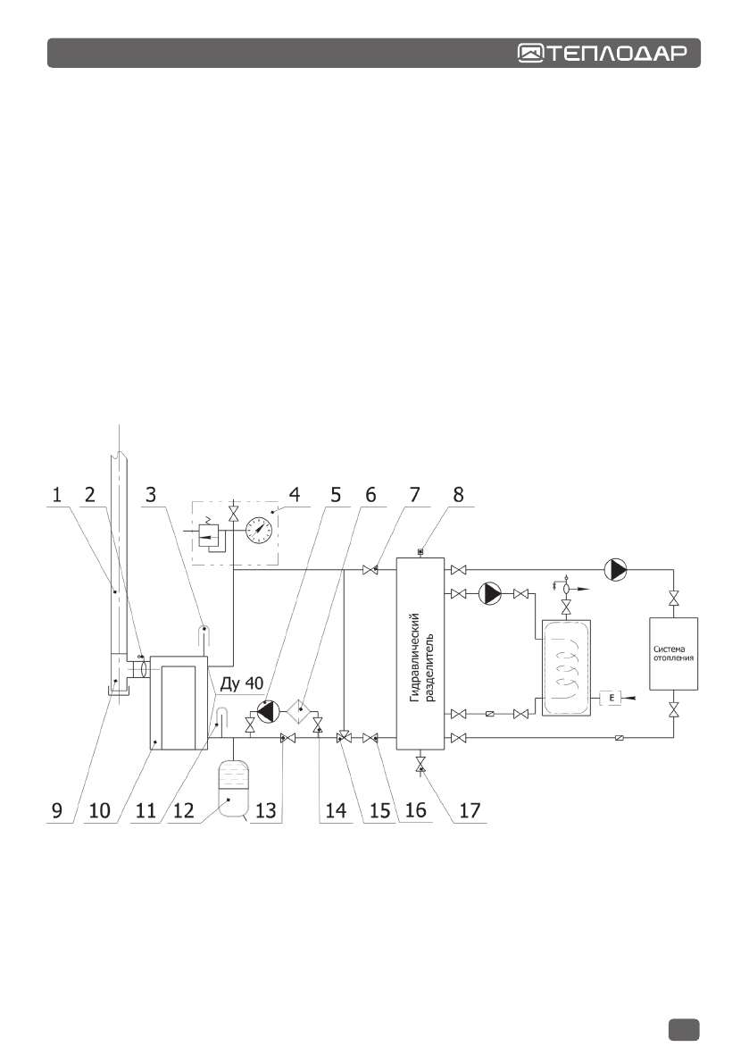
Схема установки гидроразделителя показана на рис. 2.
Рис. 2 Схема подключения котла к закрытой системе с прину-
дительной циркуляцией через гидравлический разделитель.
[1] Дымоход. [2] Шибер поворотный. [3] Встроенный термометр на подаче. [4] Группа
безопасности. [5] Насос. [6] Фильтр сетчатый. [7] Кран подачи. [8] Воздушный клапан.
[9] Тройник с ревизией. [10] Котёл. [11] Термометр обратки. [12] Бак расширительный.
[13] Кран байпасный. [14] Краны линии насоса. [15] Трехходовой клапан. [16] Кран
обратки. [17] Кран дренажа/подпитки системы.
3.5 Дополнительное оборудование
3.4 Выбор котла
Содержание
- 3 ОГЛАВЛЕНИЕ
- 4 О КОМПАНИИ
- 5 Общая информация; • Куппер Практик 8; Устройство и принцип действия
- 6 Котёл оснащен двумя дверками: загрузочной и зольной.; Конструкция котла
- 7 Рис. 1 Котёл Куппер Практик
- 8 Модель котла; Технические характеристики
- 9 плива и теплоносителя, и многого другого.; Рис. 2 Схема подключения котла к закрытой системе с прину-; Дополнительное оборудование
- 10 Требования к теплоносителю
- 11 Монтаж котла и дымохода; Требования пожарной безопасности
- 12 Рис. 3 Схема расположения котла в помещении
- 13 Подключение к системе дымоотведения; Котёл должен подсоединяться к отдельному дымоходу.; Рис. 4 Рекомендуемые схемы подключения котла к системе
- 14 Подключение к системе отопления
- 17 в) закрытая система с принудительной циркуляцией.; там 10 литров на 1 кВт мощности котла.
- 18 При необходимости проверки системы отопления на; Подключение к электросети; медного провода не менее 2,5 мм2 и автоматами защиты 16 А.
- 19 Эксплуатация котла; Проверка котла перед вводом в эксплуатацию
- 20 Ввод в эксплуатацию
- 21 Рис. 6 Регулировка подачи воздуха; Подпитка системы в ходе эксплуатации; Заполнение или долив системы отопления необходимо
- 22 Обслуживание котла
- 23 Возможные неисправности и способы их устранения; Таблица 2; Гарантийные обязательства; ствующими нормативно-техническими документами.
- 24 Транспортирование и хранение
- 25 Паспорт изделия; Комплект поставки; Утилизация; щего оборудования по правилам утилизации лома чёрного металла.; Таблица 3; Перечень запасных частей и комплектующих поставля-
- 26 Свидетельство о приемке; Котёл отопительный; Куппер Практик: 8 14 20; Свидетельство о продаже
- 27 Отметка о подключении к системе отопления
- 30 Авторизованные сервисные центры компании «Теплодар»
- 34 Список авторизованных сервисных