Котел Руснит 203 - инструкция пользователя по применению, эксплуатации и установке на русском языке. Мы надеемся, она поможет вам решить возникшие у вас вопросы при эксплуатации техники.
Если остались вопросы, задайте их в комментариях после инструкции.
"Загружаем инструкцию", означает, что нужно подождать пока файл загрузится и можно будет его читать онлайн. Некоторые инструкции очень большие и время их появления зависит от вашей скорости интернета.

10. ТРАНСПОРТИРОВАНИЕ И ХРАНЕНИЕ
10.1. Транспортирование отопителя необходимо производить в упакованном
виде в закрытых транспортных средствах железнодорожным, автомобильным, воз-
душным или речным транспортом.
10.2. Отопитель следует хранить в заводской упаковке в закрытых помеще-
ниях с естественной вентиляцией при температуре от минус 5°С до плюс 45°С с от-
носительной влажностью не более 75%.
10.3. При нарушении потребителем правил перевозки и хранения отопителя
предприятие-изготовитель ответственности за его сохранность не несет.
Приложение 1
11. ТАЛОН НА УСТАНОВКУ
Отопитель электрический РУСНИТ 20______ заводской N________
установлен в _________________________________________________________
адрес места установки (область, район, населенный пункт, улица, № дома, № квартиры)
и пущен в работу представителем сервисной службы ___________________
_______________________________________________________________________
наименование организации
Представитель сервисной службы: _________ __________________
подпись фамилия, инициалы
Владелец: _________ __________________
подпись фамилия, инициалы
«____»______________20___ г.
ПРИЛОЖЕНИЕ 2
12. АДРЕСА И ТЕЛЕФОНЫ ОРГАНИЗАЦИЙ, АТТЕСТОВАННЫХ
ДЛЯ ПРОВЕДЕНИЯ ПУСКО-НАЛАДОЧНЫХ РАБОТ,
ОСУЩЕСТВЛЯЮЩИХ ГАРАНТИЙНОЕ И СЕРВИСНОЕ
ОБСЛУЖИВАНИЕ
По г. Архангельску и Архангельской области:
ООО «Эврика» г. Архангельск,
пр. Обводной канал, д. 5, оф. 219
Тел.: (8182)65-81-04, 64-33-29
По республике Беларусь:
ООО «Теплоимпорт»
г. Минск, ул. Ольшевского, д.22, п.15 к.21
Тел.254-77-00, 254-70-827
www.rusnit.ru
www.rusnit.ru
10
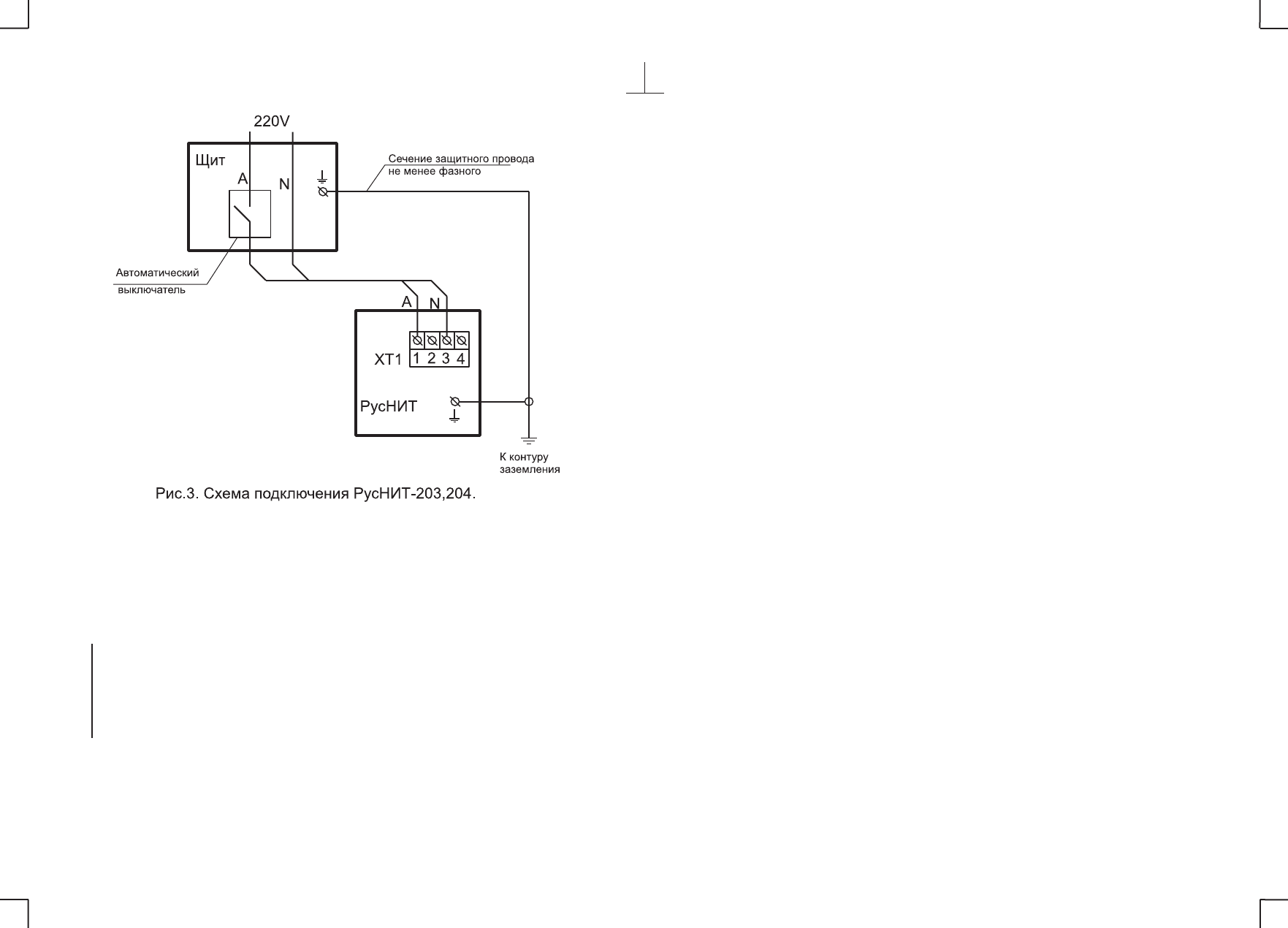
Подключите отопитель к электросети согласно электрической схемы рис.3.
При подключении РусНИТ-203, 204 к сети провода подходящие к клеммам
должны быть оконцованы, обжаты и опаяны наконечниками П2,5-4-ЛТ- из состава
ЗИП. Для подключения отопителя рекомендуется использовать медный провод
(кабель). Площадь сечения каждой жилы не менее:
- Медь - 4,0 кв.мм;
- Алюминий - 6,0 кв.мм.
ВНИМАНИЕ
Наличие автоматического выключателя в стационарной
проводке обязательно. Электрическое подключение и заземление
отопителя должно осуществляться квалифицированными
специалистами в соответствии с ПУЭ. После подключения
отопителя к электросети необходимо установить кожух и
закрепить его винтами.
5.4. После сборки отопительной системы, ее промывки и опрессовки, а также
выполнения всех электрических соединений, система заполняется теплоносите-
лем. Если в качестве теплоносителя используется вода, то она должна быть деми-
нерализована (дистиллированная, либо кипяченая и профильтрованная) и не
15
Содержание
- 2 СОДЕРЖАНИЕ; ПРИЛОЖЕНИЯ
- 3 ООО «Завод РУСНИТ»; ТАЛОН N2; на гарантийный ремонт котла; РУСНИТ; МП; Корешок талона
- 5 ТРЕБОВАНИЯ БЕЗОПАСНОСТИ; Без заземления отопитель НЕ ВКЛЮЧАТЬ!; Приложение 3; ТАЛОН N1
- 6 ООО «БалтРегионСервис» г. Санкт-Петербург; УСТРОЙСТВО И ПОРЯДОК РАБОТЫ С ОТОПИТЕЛЕМ
- 9 ТРАНСПОРТИРОВАНИЕ И ХРАНЕНИЕ; душным или речным транспортом.; Приложение 1; ТАЛОН НА УСТАНОВКУ; ПРИЛОЖЕНИЕ 2; АДРЕСА И ТЕЛЕФОНЫ ОРГАНИЗАЦИЙ, АТТЕСТОВАННЫХ; По г. Архангельску и Архангельской области:; ВНИМАНИЕ
- 10 ПРАВИЛА ЭКСПЛУАТАЦИИ; Отопитель электрический; ГАРАНТИЙНЫЕ ОБЯЗАТЕЛЬСТВА
- 11 чае замерзания теплоносителя в системе отопления.; ТЕХНИЧЕСКОЕ ОБСЛУЖИВАНИЕ; рить крепление сектора на крышке бака теплообменника.