Котел RODA KRAFTER R TP 16 УТ000007301 - инструкция пользователя по применению, эксплуатации и установке на русском языке. Мы надеемся, она поможет вам решить возникшие у вас вопросы при эксплуатации техники.
Если остались вопросы, задайте их в комментариях после инструкции.
"Загружаем инструкцию", означает, что нужно подождать пока файл загрузится и можно будет его читать онлайн. Некоторые инструкции очень большие и время их появления зависит от вашей скорости интернета.

16
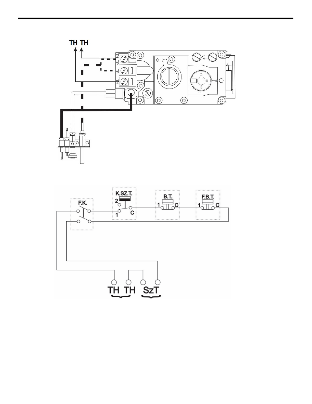
СХЕМА ЭЛЕКТРИЧЕСКИХ ПОДКЛЮЧЕНИЙ
Обозначения:
F.K. - Выключатель
K.SZ.T. - Термостат управления котлом
В.Т. - Ограничительный термостат
F.B.T. - Предохранительный термостат дымовых газов
Sz.T. - Комнатный термостат
TP - Термопара контроля пламени
TH - Блок управления
Содержание
- 2 Содержание
- 3 ТЕХНИЧЕСКОЕ РЕГУЛИРОВАНИЕ
- 5 RÖDA Krafter RTP
- 7 ИНСТРУКЦИЯ ПО ОБСЛУЖИВАНИЮ
- 8 ВКЛЮЧЕНИЕ КОТЛА И ЕГО РАБОТА; квалифицированным; Включение котла
- 9 Эксплуатация газового отопительного прибора.
- 10 Запах газа
- 11 руководство
- 13 Подключение к системе отопления
- 14 Подключение к системе водоснабжения; Подключение комнатного термостата
- 16 СХЕМА ЭЛЕКТРИЧЕСКИХ ПОДКЛЮЧЕНИЙ
- 18 Давление газа на горелке