Котел RODA KRAFTER R MOD 16 УТ000007295 - инструкция пользователя по применению, эксплуатации и установке на русском языке. Мы надеемся, она поможет вам решить возникшие у вас вопросы при эксплуатации техники.
Если остались вопросы, задайте их в комментариях после инструкции.
"Загружаем инструкцию", означает, что нужно подождать пока файл загрузится и можно будет его читать онлайн. Некоторые инструкции очень большие и время их появления зависит от вашей скорости интернета.
Загружаем инструкцию

25
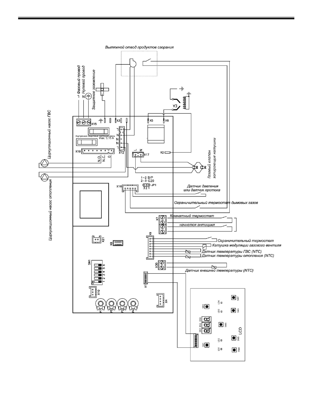
СХЕМА ЭЛЕКТРИЧЕСКИХ ПОДКЛЮЧЕНИЙ
Содержание
- 2 Содержание
- 3 ТЕХНИЧЕСКОЕ РЕГУЛИРОВАНИЕ
- 5 ОПИСАНИЕ ЭЛЕКТРОСИСТЕМЫ
- 6 ТЕХНИЧЕСКИЕ ХАРАКТЕРИСТИКИ RÖDA KRAFTER RMOD
- 7 ТЕХНИЧЕСКИЕ ХАРАКТЕРИСТИКИ RÖDA KRAFTER BMOD
- 12 ИНСТРУКЦИЯ ПО ОБСЛУЖИВАНИЮ; Панель управления; в зависимости от модели могут быть с автоматической
- 14 Режим отопления; Модуляции мощности
- 15 Защита от замерзания
- 20 Подключение электропитания; Заземление котла обязательно!; Подключение к дымоходу
- 22 ПРИНЦИПИАЛЬНАЯ СХЕМА РАБОТЫ KRAFTER RMOD
- 23 ПРИНЦИПИАЛЬНАЯ СХЕМА РАБОТЫ KRAFTER BMOD
- 24 РЕКОМЕНДОВАННАЯ СХЕМА СОЕДИНЕНИЯ КОТЛА KRAFTER RMOD И БОЙЛЕРА
- 26 МИКРОПЕРЕКЛЮЧАТЕЛИ ПЛАТЫ УПРАВЛЕНИЯ
- 27 ПРОГРАММИРОВАНИЕ ЭЛЕКТРОННОЙ ПЛАТЫ КОТЛА