Котел Roda Brenner Max BM-04 - инструкция пользователя по применению, эксплуатации и установке на русском языке. Мы надеемся, она поможет вам решить возникшие у вас вопросы при эксплуатации техники.
Если остались вопросы, задайте их в комментариях после инструкции.
"Загружаем инструкцию", означает, что нужно подождать пока файл загрузится и можно будет его читать онлайн. Некоторые инструкции очень большие и время их появления зависит от вашей скорости интернета.

22
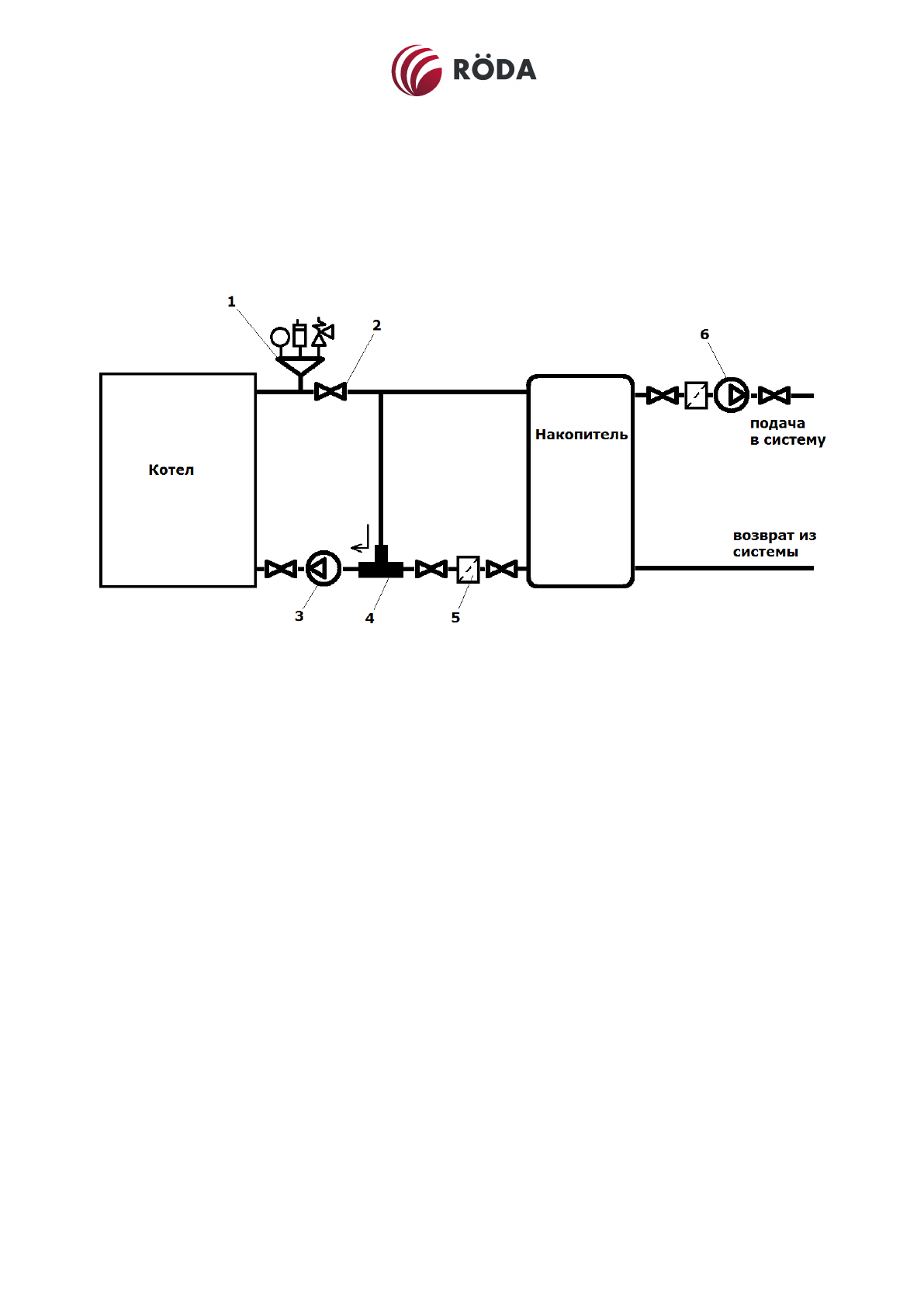
Пример обвязки котла.
ВНИМАНИЕ
. Для соблюдения гарантийных обязательств на ТТ котлы Brenner Max, они должны
обвязываться с устройствами повышения температуры обратной магистрали (дополнительный насос
антиконденсации или клапан ESBE VTC511) и группой безопасности.
1 – группа безопасности.
2 – шаровый кран
3 – циркуляционный насос загрузки накопителя
4 – термостатический клапан ESBE VTC511 (поддержание температуры возврата в котел не ниже 60°С)
5 – фильтр грязевик
6 – циркуляционный насос системы отопления