Котел Protherm SOO - инструкция пользователя по применению, эксплуатации и установке на русском языке. Мы надеемся, она поможет вам решить возникшие у вас вопросы при эксплуатации техники.
Если остались вопросы, задайте их в комментариях после инструкции.
"Загружаем инструкцию", означает, что нужно подождать пока файл загрузится и можно будет его читать онлайн. Некоторые инструкции очень большие и время их появления зависит от вашей скорости интернета.

Инструкция
по
монтажу
и
обслуживанию
PROTHERM 120 SOR /SOO/
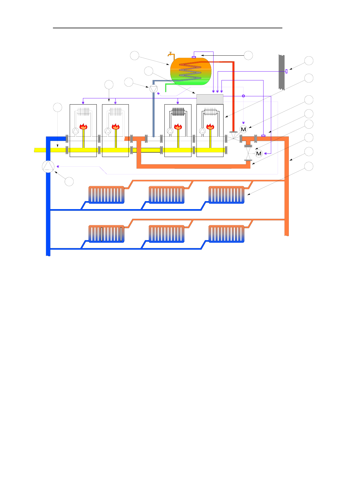
4
2
3
5
1
8
9
10
6
11
12
13
14
15
7
ПРОЕКТ
ПОДСОЕДИНЕНИЯ
МОДУЛЕЙ
КОТЛОВ
PROTHERM 120
К
ОТОПИТЕЛЬНОЙ
СИСТЕМЕ
С
ПОДГОТОВКОЙ
ГОРЯЧЕЙ
ВОДЫ
1 -
датчик
температуры
ГВС
9 -
модуль
PROTHERM 120 SOR
2 –
бойлер
ГВС
10 -
трехходовой
вентиль
с
3 -
управляющий
регулятор
электроприводом
HONEYWELL
11 -
датчик
температуры
ОВ
4 -
насос
контура
ГВС
(
на
выходе
из
комбинированного
5 -
модуль
PROTHERM 120 SOO
источника
тепла
)
6 -
подача
газа
12 -
закрывающий
вентиль
7 -
центральный
насос
ОВ
13
-
байпас
ОВ
8 -
датчик
наружной
температуры
14 -
распределение
ОВ
15 -
отопительная
система
Рис
.7 –
Пример
сборки
комбинированного
источника
из
нескольких
модулей
18