Котел Protherm Медведь 30 PLO - инструкция пользователя по применению, эксплуатации и установке на русском языке. Мы надеемся, она поможет вам решить возникшие у вас вопросы при эксплуатации техники.
Если остались вопросы, задайте их в комментариях после инструкции.
"Загружаем инструкцию", означает, что нужно подождать пока файл загрузится и можно будет его читать онлайн. Некоторые инструкции очень большие и время их появления зависит от вашей скорости интернета.

20, 30, 40, 50, 60
Р
LO
~
36~
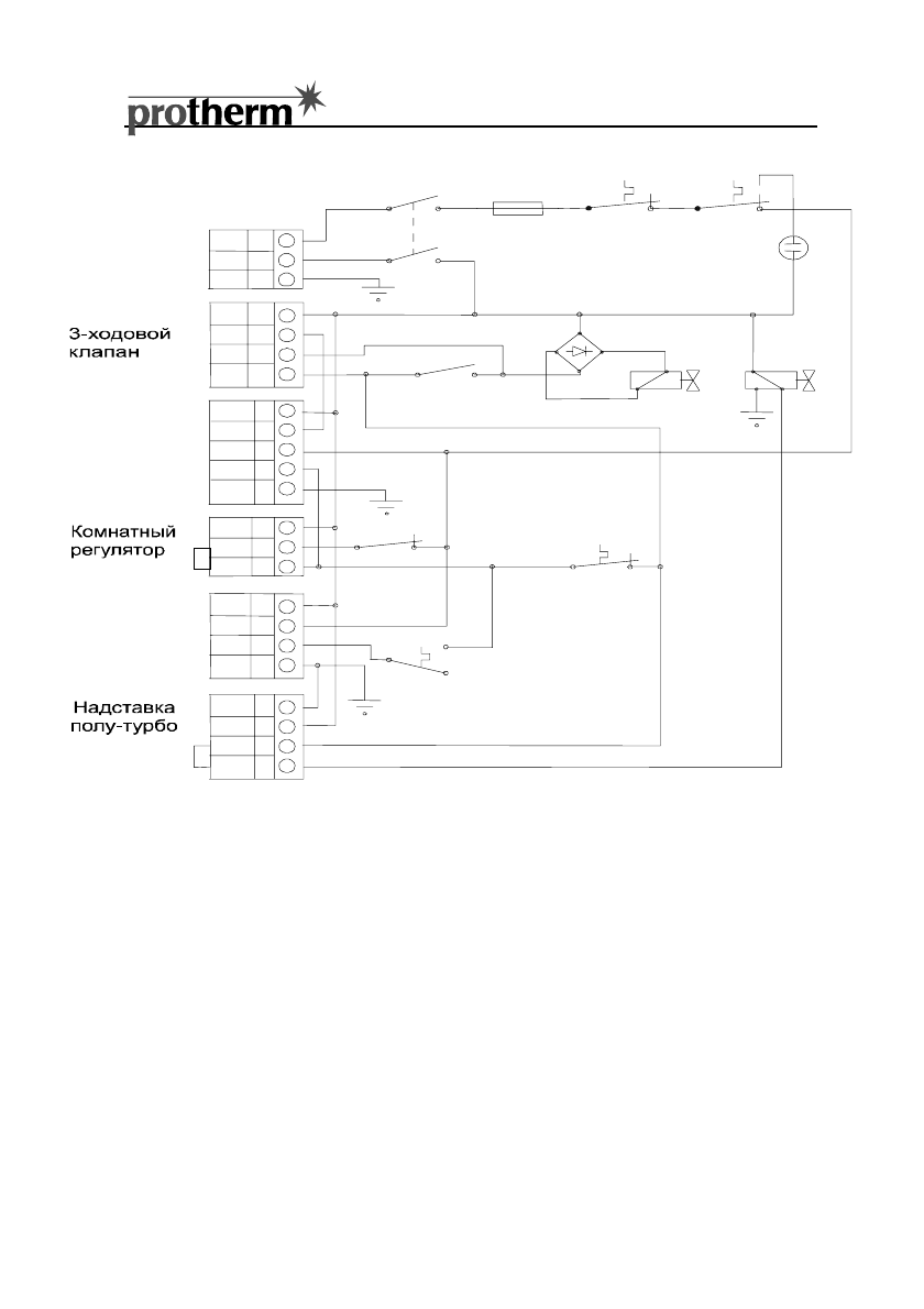
Рис
. 5
а
–
Схема
электрического
подключения
котла
20, 30, 40,
50 PLO
HV
-
сетевой
выключатель
PO1
-
сетевой
предохранитель
SP
-
переключатель
мощности
DT1
-
сигн
.
лампочка
аварийных
состояний
HT
-
аварийный
термостат
TT
-
термостат
продуктов
сгорания
L-Z
-
переключатель
ЛЕТО
–
ЗИМА
TC
-
термостат
насоса
PT-TOP -
термостат
отопления
L-Z
TC
2
1
c
DT1
PO1
T1.6A
HV
9
8
7
6
5
PE
Tb/C
Tb1
Tb2
N
18
21
19
22
20
23
N
L
Pr
N
Pr
PE
~230V
50Hz
HT
TS
SP
PTTOP
N
N
N
10
17
4
11
16
3
12
15
2
13
14
1
L
Lp
Lm
W 1
L
L
W 2
PE
PE
K2
K1
K3
K4
K5
D1-D4
Насос
Термостат
бойлера
Модулятор
Газовый
клапан