Котел Protherm Grizzly 150 KLO - инструкция пользователя по применению, эксплуатации и установке на русском языке. Мы надеемся, она поможет вам решить возникшие у вас вопросы при эксплуатации техники.
Если остались вопросы, задайте их в комментариях после инструкции.
"Загружаем инструкцию", означает, что нужно подождать пока файл загрузится и можно будет его читать онлайн. Некоторые инструкции очень большие и время их появления зависит от вашей скорости интернета.
Загружаем инструкцию

35
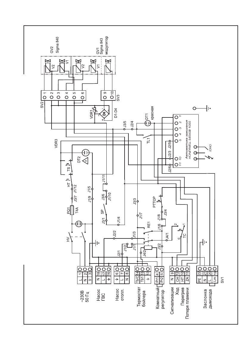
Сх
ема по
дключения к
о
тла PRO
THERM 65 – 1
0
0 KL
O
Условные обозначения к сх
емам приведены на стр. 36
Содержание
- 5 настолько теплой, чтобы предоставляла опасность.; Предписания и нормы; a) к отопительной системе
- 6 Обеспечение безопасности оборудования и лиц.; соблюдать общие правила согласно следующих документов :; Характеристика котла
- 8 котла; Основные и присоединительные размеры котла
- 9 Оснащение котла; Котел PROTHERM KLO состоит из:; Чугунное тело; состоит из элементов и служит одновременно как камера сгорания; Панель горелки; проводится запальной горелкой. При требовании; Потери давления котлового тела
- 10 Запальная горелка всегда работает вместе с главной горелкой.; Коллектор продуктов сгорания; непосредственно соединен с прерывателем тяги, а за; Общие положения при установке котла; Подсоединение к подаче газа
- 11 KLO; Рабочая схема котла
- 12 одноразовое добавление хелатного реагента.; Использование незамерзающих растворов
- 13 Размещение котла; работ по обслуживанию.
- 14 Мероприятия против замерзания
- 15 Основное описание регуляторов Siemens; Вс
- 16 Управление и сигнализация; для потребителя и сервисного обслуживания.; Панель управления; не является частью поставки котла
- 17 Описание элементов управления
- 18 Обслуживание котла; Требования по обслуживанию котла
- 19 Основные инструкции по обслуживанию котла :; открытых системах в диапазоне 0 до 80°C.; ВАЖНЫЕ ПРЕДУПРЕЖДЕНИЯ
- 20 Пуск котла; термостате резервуара ГВС.; Отключение котла
- 21 д) Контроль и чистка фильтров и грязевиков :; Соблюдение технических требований к котлам и их использованию
- 22 производителя с соответствующими лицензиями.; Гарантия и гарантийные условия; Стандартная поставка; Котел PROTHERM KLO поставляется в транспортной упаковке; Специальная поставка; По специальной заявке к котлу поставляются :; Транспортировка и складирование; среда, влажность воздуха до 75% , диапазон температур 5 – 55
- 23 Отвод продуктов сгоратия; NO; Присоединительные размеры; Технические параметры котлов ряда KLO
- 25 Сборка котла после транспортировки; Вытянуть часть прерывателя тяги и; Покрытие котла
- 26 задней части котла. После чего, снять покрытие в направлении вверх.; Насос отопительной системы; ОВ на величину макс. 80; Электрическое подключение котла
- 27 Подсоединение котла с непрямонагреваемым резервуаром; непрямонагреваемого резервуара с помощью:; Подсоединение эквитермического регулятора
- 28 датчик температуры воды в котле из эквитермического регулятора.; Описание элементов безопасности
- 30 Подготовка и старт котла; Проведем обезвоздушниваниегазового подсоединения.
- 31 Техническое обслуживание котла
- 32 Настройка давления газа 65-100 KLO стандарт – природный газ
- 33 Настройка сниженной мощности; Настройка давления газа для котлов KLO – природный газ.
- 34 ) с помощью крестовой отвертки; Прием прочистки разделителя оборотной воды
- 35 Таблица 5; mmH
- 36 Таблица 6
- 39 Условные обозначения к эл.схемам 65 – 150 KLO; TS
- 40 нем
- 44 Представительство