Котел Protherm Бобёр 60DLO - инструкция пользователя по применению, эксплуатации и установке на русском языке. Мы надеемся, она поможет вам решить возникшие у вас вопросы при эксплуатации техники.
Если остались вопросы, задайте их в комментариях после инструкции.
"Загружаем инструкцию", означает, что нужно подождать пока файл загрузится и можно будет его читать онлайн. Некоторые инструкции очень большие и время их появления зависит от вашей скорости интернета.

17
рис.
13
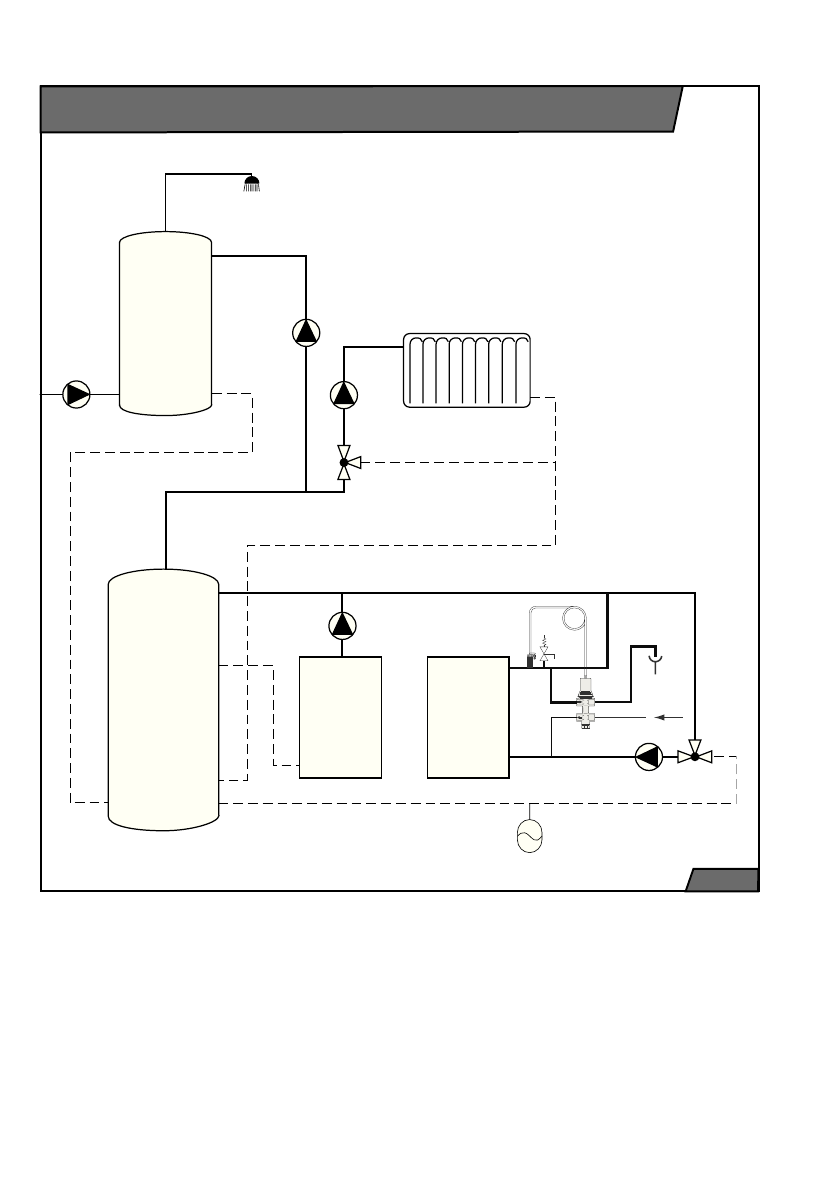
Пример использования котла „БОБЁР“ с другим котлом, бойлером
и аккумулирующим баком.
Котёл
на
твёрдом
топливе
Котёл
на
жидком
топливе / газе
Аккумулирующий
бак
Бойлер
ГВ
ХВ
ГВ
S
C
ХВ
Предупреждение:
Котёл не имеет ни
встроенного расширительного бака, ни
предохранительного клапана, поэтому
его можно подключать только к системе
отопления, в которой эти элементы уже
предусмотрены.
Характеристики
Остались вопросы?Не нашли свой ответ в руководстве или возникли другие проблемы? Задайте свой вопрос в форме ниже с подробным описанием вашей ситуации, чтобы другие люди и специалисты смогли дать на него ответ. Если вы знаете как решить проблему другого человека, пожалуйста, подскажите ему :)