Котел Protherm Бобёр 30DLO - инструкция пользователя по применению, эксплуатации и установке на русском языке. Мы надеемся, она поможет вам решить возникшие у вас вопросы при эксплуатации техники.
Если остались вопросы, задайте их в комментариях после инструкции.
"Загружаем инструкцию", означает, что нужно подождать пока файл загрузится и можно будет его читать онлайн. Некоторые инструкции очень большие и время их появления зависит от вашей скорости интернета.

17
рис.
13
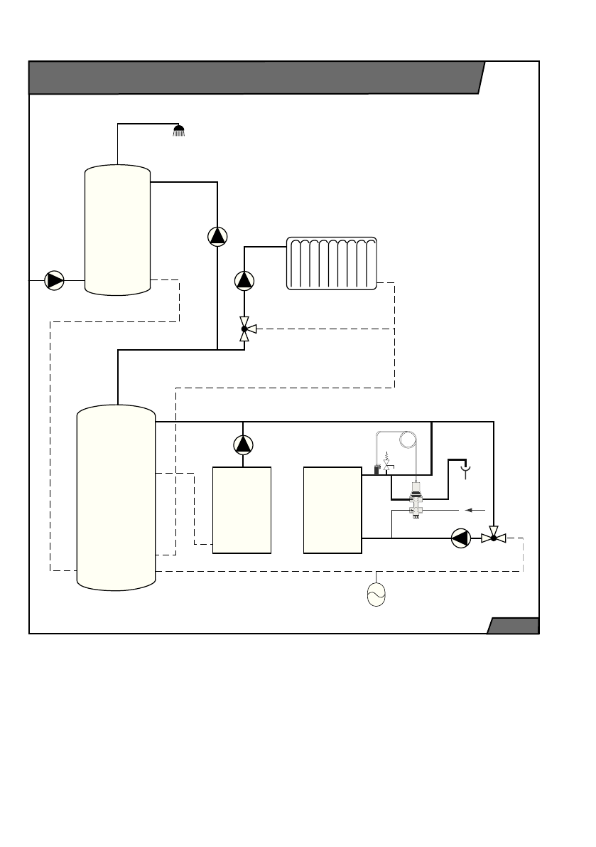
Пример использования котла „БОБЁР“ с другим котлом, бойлером
и аккумулирующим баком.
Котёл
на
твёрдом
топливе
Котёл
на
жидком
топливе / газе
Аккумулирующий
бак
Бойлер
ГВ
ХВ
ГВ
S
C
ХВ
Предупреждение:
Котёл не имеет ни
встроенного расширительного бака, ни
предохранительного клапана, поэтому
его можно подключать только к системе
отопления, в которой эти элементы уже
предусмотрены.
Содержание
- 2 Твердотопливный чугунный котел; Бобер
- 3 Содержание
- 4 Введение
- 6 Общее описание котла „БОБЁР“; Виды топлива; рис
- 7 заслонки дымовой трубы; ТРМ; Termomanometer
- 8 Клапан безопасности Caleffi 544
- 9 Ввод в эксплуатацию; Аккумулирующий бак
- 10 Обслуживание; Растопка
- 12 арантия и гарантийные условия; Чистка котла; Ремонт котла
- 13 Комплект поставки; Поставка котла; Монтаж
- 15 Котельная
- 16 Порядок монтажа
- 17 Описание котла „Бобёр „; Части котла „Бобёр“; Размеры котла „Бобёр“
- 18 Гидравлическое сопротивление котла; Обозначение; Технические параметры котла „Бобёр“