Котел Neva TURBO 24 - инструкция пользователя по применению, эксплуатации и установке на русском языке. Мы надеемся, она поможет вам решить возникшие у вас вопросы при эксплуатации техники.
Если остались вопросы, задайте их в комментариях после инструкции.
"Загружаем инструкцию", означает, что нужно подождать пока файл загрузится и можно будет его читать онлайн. Некоторые инструкции очень большие и время их появления зависит от вашей скорости интернета.

38
II
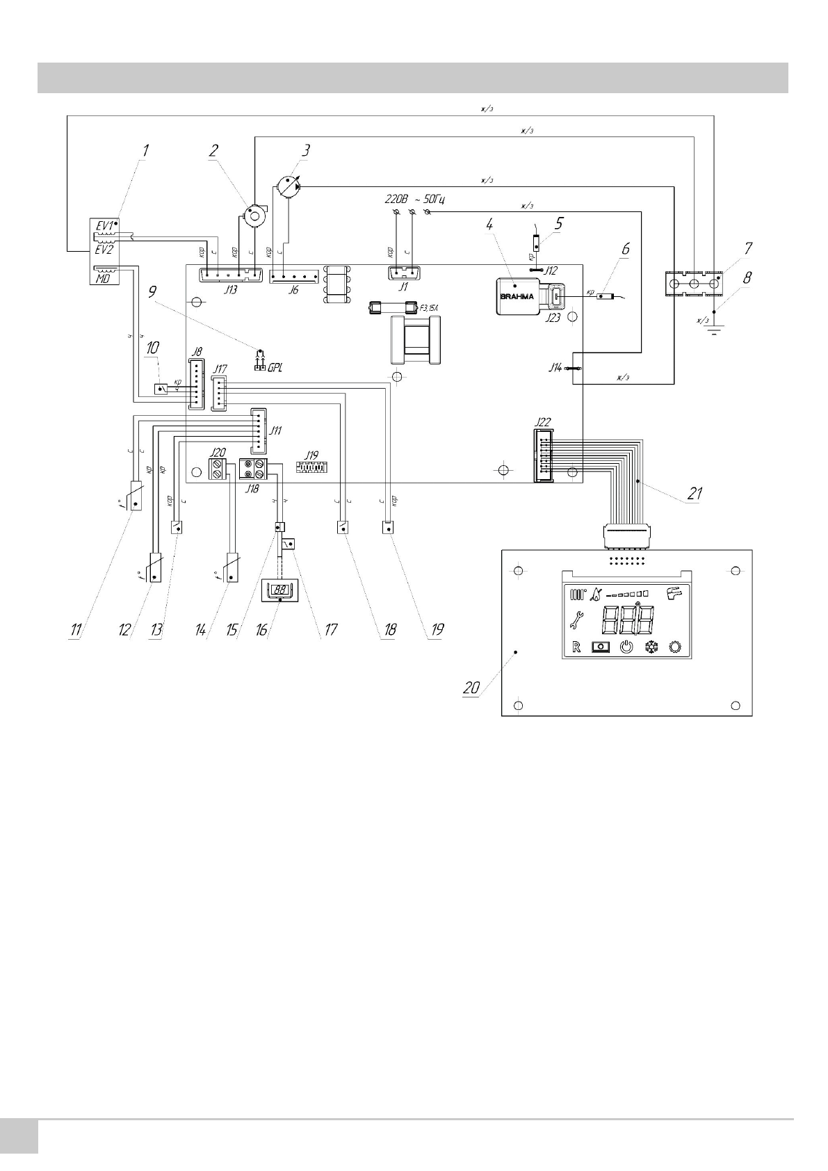
1
-
;
2 -
;
3
-
;
4 -
;
5 -
;
6
-
;
7
-
;
8
-
;
9
-
;
10
-
;
11
-
;
12 -
;
13
-
;
14
-
(
);
15
-
;
16
-
(
);
17
-
(
);
18
-
;
19
-
95 ° (
);
20
-
LCD8;
21
-
LCD8
1966.
EV1 -
;
EV2 -
;
GPL -
;
MD -
;
J1 -
;
J6 -
;
J8 -
;
J11 -
;
J12 -
(7424
-00.108);
J13 -
;
J14 -
;
J17 -
;
J18 -
;
J19 -
;
J20 -
;
J22 -
LCD8
1966;
J23 -
.
.
(
9)
GPL;
.
(
17)
(16)
.
(
17
)
(
16),
(
15).
:
« »
-
;
« / »
-
-
;
«
»
-
;
« »
-
;
« »
-
.