Котел Navien Prime Coaxial-30K/35K - инструкция пользователя по применению, эксплуатации и установке на русском языке. Мы надеемся, она поможет вам решить возникшие у вас вопросы при эксплуатации техники.
Если остались вопросы, задайте их в комментариях после инструкции.
"Загружаем инструкцию", означает, что нужно подождать пока файл загрузится и можно будет его читать онлайн. Некоторые инструкции очень большие и время их появления зависит от вашей скорости интернета.

52
Navien Prime Coaxial
1 3 5 7 9 11 13 15 17 19
2 4 6 8 10 12 14 16 18 20
6 5 4 3 2 1
3 2 1
1 2 3 4 5
1
2
3
4
5
6
7
8
9
10
11
12
13
14
8
7
6
5
4
3
2
1
3 2
1
CON10
CON6
CON5
CON9
CON1
CON8
CON1
CON3
1 3
2 4
CON2
M
RS-485
PC
RS-232
1 3 5 7
2 4 6 8
CON4
LIVE
NEUTRAL
P.E
10
9
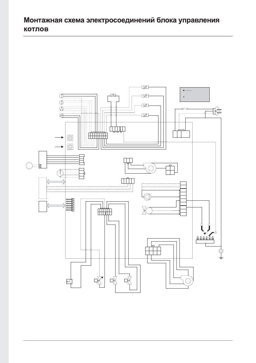
Опция
Вентилятор
DC вентилятор
или
AC вентилятор
Панель управления
Выносной
пульт
Реле протока ОВ
Датчик протока ОВ
Внешний контактный вход
Внешний контактный выход
Воздухоотводчик
Увеличение давления газа
Уменьшение давления газа
Датчик утечки газа
Предохранитель
перегрева
Газовый клапан
модулирующий
Газовый
запорный
клапан 1
Газовый
запорный
клапан 2
DC вентилятор
Горелка
Датчик пламени
Трансформатор
розжига
Трёхходовой кран
Циркуляционный насос
AC вентилятор
Датчик температуры обратки воды
Датчик температуры
дымовых газов
Датчик хозяйственной воды
Датчик температуры
выхода ГВС
Реле протока отопления
AC 220В
входная
мощность
Система зонового контроля других
компаний







