Navien Deluxe S-35k, закрытая камера, 35 квт - Инструкция по эксплуатации - Страница 37

Котел Navien Deluxe S-35k, закрытая камера, 35 квт - инструкция пользователя по применению, эксплуатации и установке на русском языке. Мы надеемся, она поможет вам решить возникшие у вас вопросы при эксплуатации техники.

Если остались вопросы, задайте их в комментариях после инструкции.

"Загружаем инструкцию", означает, что нужно подождать пока файл загрузится и можно будет его читать онлайн. Некоторые инструкции очень большие и время их появления зависит от вашей скорости интернета.
Страница:
/ 68
Загружаем инструкцию
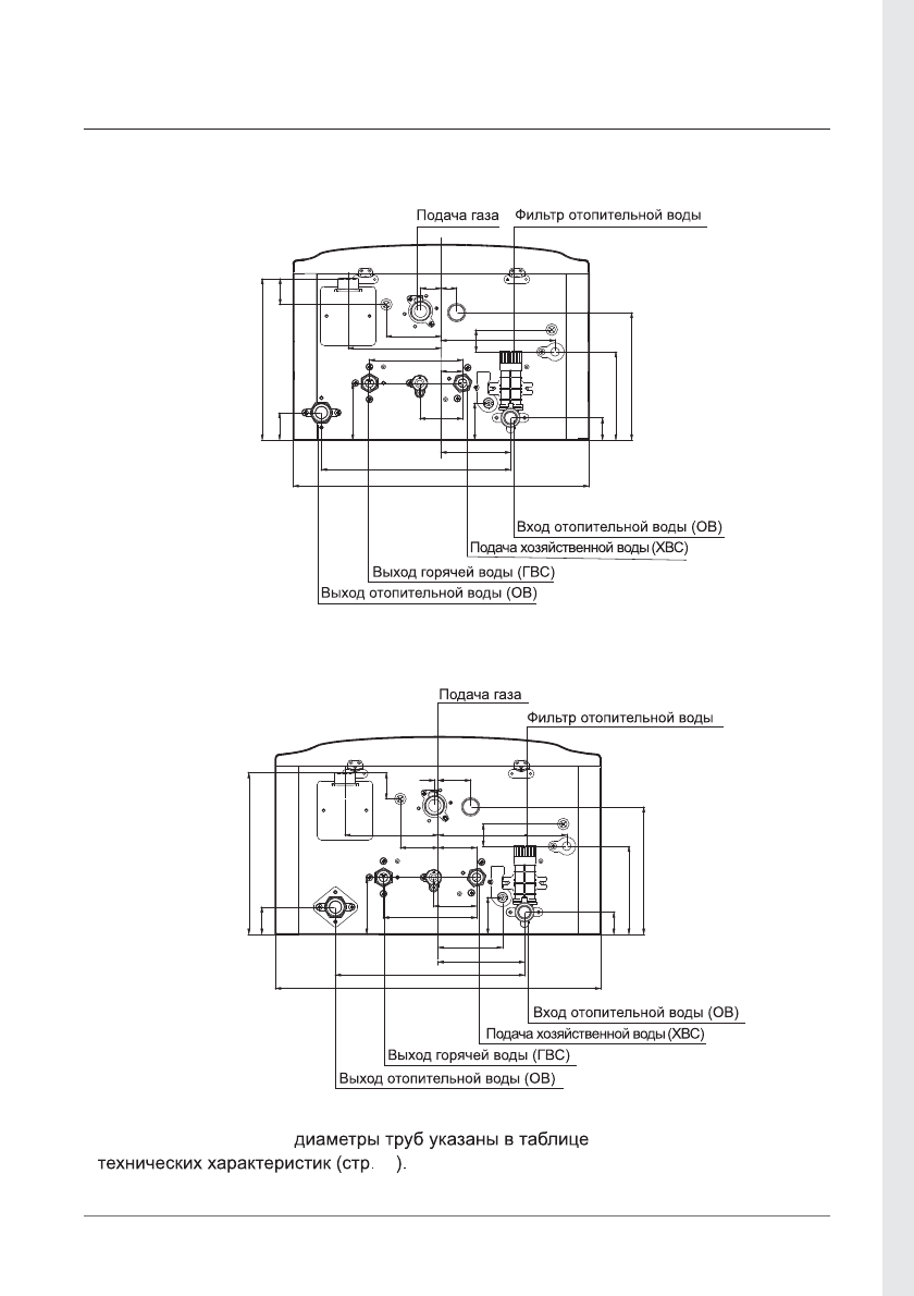
background image

37

Navien Deluxe S Coaxial 13/16/20/24K

Navien Deluxe S Coaxial 35K

63

Присоединительные

218

35

37

77

50

30

119

172

30

126

74

126

28 21

154

58

256

400

29

94

218

35

30

37

77

50

30

119

172

126

126

51

52

5

44

174

58

256

117

440

87

Полезные видео

Характеристики

Оцените статью
tehnopanorama.ru
Остались вопросы?

Не нашли свой ответ в руководстве или возникли другие проблемы? Задайте свой вопрос в форме ниже с подробным описанием вашей ситуации, чтобы другие люди и специалисты смогли дать на него ответ. Если вы знаете как решить проблему другого человека, пожалуйста, подскажите ему :)

Задать вопрос

Часто задаваемые вопросы
Как посмотреть инструкцию к Navien Deluxe S-35k, закрытая камера, 35 квт?
Необходимо подождать полной загрузки инструкции в сером окне на данной странице
Руководство на русском языке?
Все наши руководства представлены на русском языке или схематично, поэтому вы без труда сможете разобраться с вашей моделью
Как скопировать текст из PDF?
Чтобы скопировать текст со страницы инструкции воспользуйтесь вкладкой "HTML"