Котел Navien Deluxe S-24k, закрытая камера, 24 квт - инструкция пользователя по применению, эксплуатации и установке на русском языке. Мы надеемся, она поможет вам решить возникшие у вас вопросы при эксплуатации техники.
Если остались вопросы, задайте их в комментариях после инструкции.
"Загружаем инструкцию", означает, что нужно подождать пока файл загрузится и можно будет его читать онлайн. Некоторые инструкции очень большие и время их появления зависит от вашей скорости интернета.

62
Navien Deluxe S Coaxial
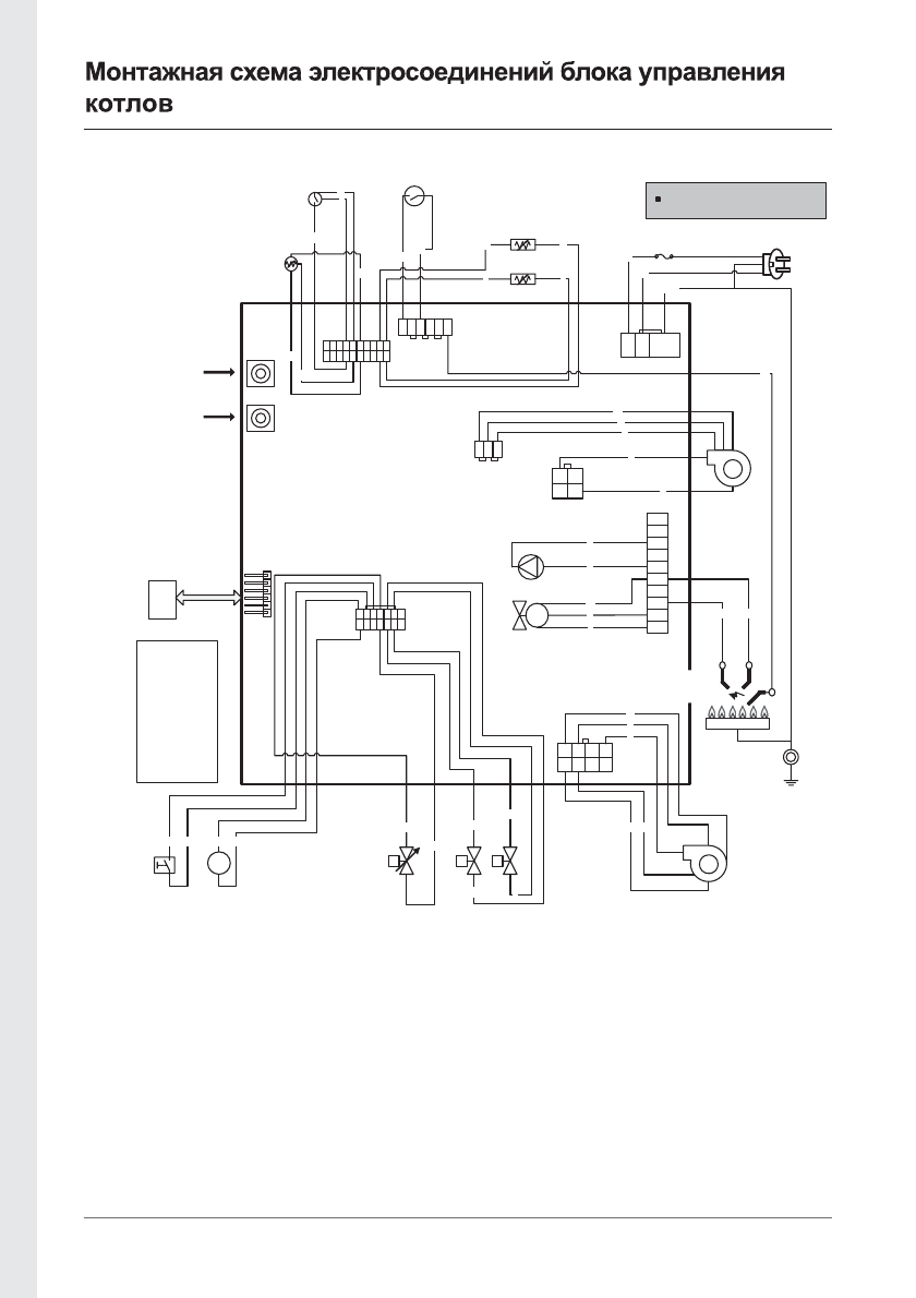
ППК давления газа
ВВЕРХ
Датчик APS
Датчик протока ОВ
Датчик давления
Датчик температуры
ОВ (подача)
Датчик температуры ГВС
ППК давления газа
ВНИЗ
Датчик
перегрева
Газовый
клапан
модулирующий
Газовый
клапан 2
Газовый
клапан 1
Вентилятор
пост.тока
Термостат
1 3 5 7 9 11 13 15 17 19
2 4 6 8 10 12 14 16 18 20
6 5 4 3 2 1
1
2
3
4
5
6
7
8
9
10
11
12
13
14
8
7
6
5
4
3
2
1
3
2
1
CON10
CON5
CON11
CON8
CON1
CON3
W
R
Bk
R
W
R
Br
Gy
Gy
R
O
B
O
Y
Y
Br
Bk
Br
B
R/C
B
B
G
M
Bk
G
PC
RS-232
LINE
NEUTRAL
P.E
10
9
COLOR CODE
W : White
Bk : Black
Br : Brown
R : Red
G : Green
B : Blue
V : Violet
Gy : Gray
O : Orange
Y : Yellow
GY : Geen
& Yellow
G/Y
FAN
AC-FAN : 13K,16K,20K,24K
DC-FAN : 35K
CON2
W
R
Bk
W
R
W
R
R
1
3
2
4
3 2 1
CON9
R
W
Bk
Bk
Bk
1 3 5 7
2 4 6 8
W
CON4
O
Bk
R
Y
Трансформ
розжига
Трансформ
розжига
Трехходовой клапан
Насос
Датчик
пламени
Вентилятор
перем.тока
Горелка








