Navien DELUXE ONE-24K НС-1291179 - Инструкция по эксплуатации - Страница 36

Котел Navien DELUXE ONE-24K НС-1291179 - инструкция пользователя по применению, эксплуатации и установке на русском языке. Мы надеемся, она поможет вам решить возникшие у вас вопросы при эксплуатации техники.

Если остались вопросы, задайте их в комментариях после инструкции.

"Загружаем инструкцию", означает, что нужно подождать пока файл загрузится и можно будет его читать онлайн. Некоторые инструкции очень большие и время их появления зависит от вашей скорости интернета.
Страница:
/ 72
Загружаем инструкцию
background image

36

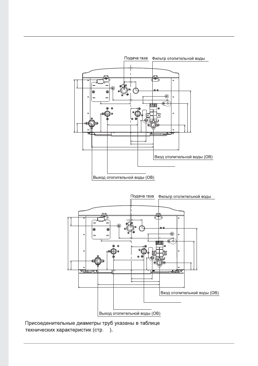
Navien Deluxe One 24K

126

64

94

256

400

Navien Deluxe One  30/35K 

63

126

74

154

28 21

218

37

77

35

30

50

30

119

172

29

126

87

117

256

440

126

51

174

5

44

218

37

77

35

30

30

119

172

50

52

Обратка бойлера

Загрузка бойлера

Обратка бойлера

Загрузка бойлера

Полезные видео

Характеристики

Оцените статью
tehnopanorama.ru
Остались вопросы?

Не нашли свой ответ в руководстве или возникли другие проблемы? Задайте свой вопрос в форме ниже с подробным описанием вашей ситуации, чтобы другие люди и специалисты смогли дать на него ответ. Если вы знаете как решить проблему другого человека, пожалуйста, подскажите ему :)

Задать вопрос

Часто задаваемые вопросы
Как посмотреть инструкцию к Navien DELUXE ONE-24K НС-1291179?
Необходимо подождать полной загрузки инструкции в сером окне на данной странице
Руководство на русском языке?
Все наши руководства представлены на русском языке или схематично, поэтому вы без труда сможете разобраться с вашей моделью
Как скопировать текст из PDF?
Чтобы скопировать текст со страницы инструкции воспользуйтесь вкладкой "HTML"