Котел lemax Премиум 50 стальной - инструкция пользователя по применению, эксплуатации и установке на русском языке. Мы надеемся, она поможет вам решить возникшие у вас вопросы при эксплуатации техники.
Если остались вопросы, задайте их в комментариях после инструкции.
"Загружаем инструкцию", означает, что нужно подождать пока файл загрузится и можно будет его читать онлайн. Некоторые инструкции очень большие и время их появления зависит от вашей скорости интернета.

14
Премиум-M В. 1.09
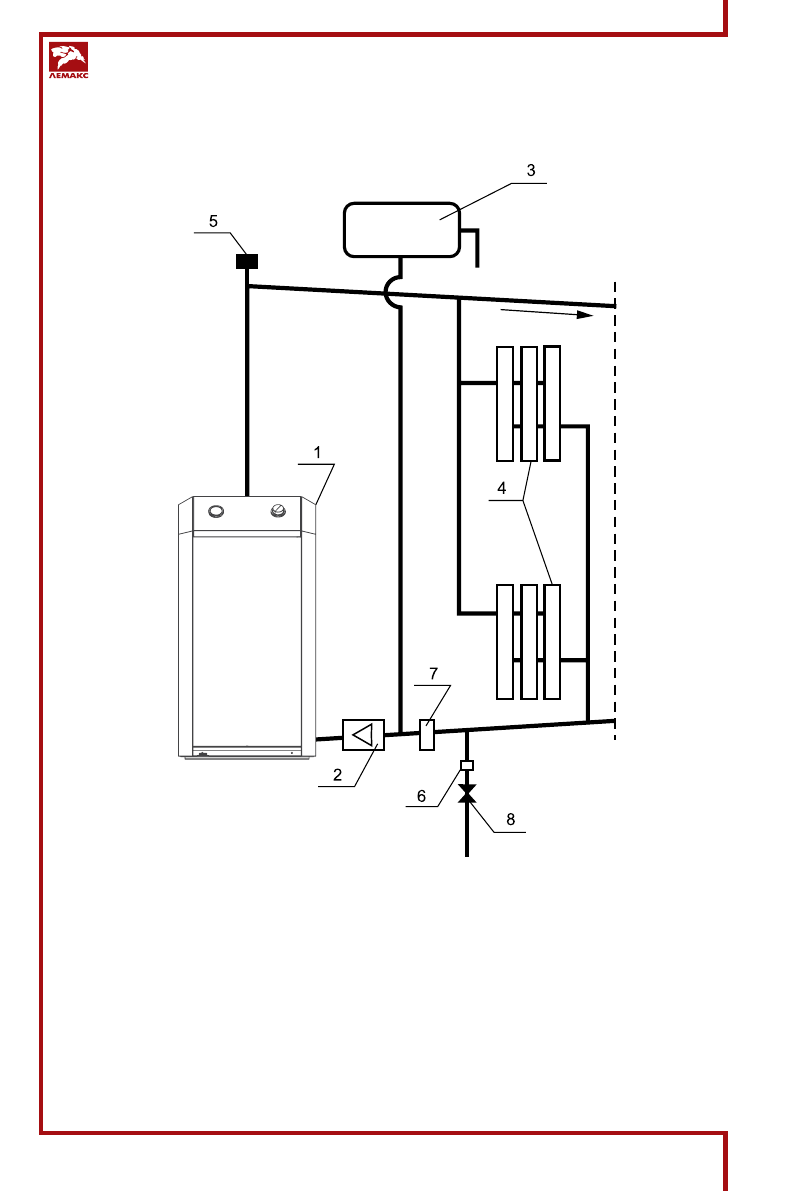
Рис. 3.
1. Котел.
2. Циркуляционный насос.
3. Расширительный бак.
4. Радиаторы отопления.
5. Автоматический клапан сброса воздуха.
6. Сбросной предохранительный клапан на 1,5 атм.
7. Шлакоотделитель.
8. Кран для заполнения и слива системы отопления.
примерНаЯ СХема открытой СиСтемы отоплеНиЯ
С циркУлЯциоННым НаСоСом
Содержание
- 4 СодержаНие; . для соблюдения этого условия установите сбросной; STOP
- 5 с газогорелочным устройством.
- 10 треБоваНиЯ БеЗопаСНоСти
- 11 УСтройСтво котла; Котёл «Премиум» с автоматикой 820 Nova
- 12 моНтаж, подГотовка к раБоте; тяги зажигать газогорелочное устройство запрещается.
- 13 отопительной системы.; примерНаЯ СХема открытой СиСтемы отоплеНиЯ
- 16 подклюЧеНие котла при помоЩи «тУрБоНаСадки лемакС»; При помощи «ТУРБОНАСАДКИ ЛЕМАКС» возможно подключение
- 17 порЯдок раБоты; ручку управления против часовой стрелки в позицию розжига (; ) и только затем начинайте
- 19 ратуры на корпусе котла.; правила ЭкСплУатации, теХНиЧеСкое оБСлУживаНие
- 20 ная верхняя крышка облицовки.; ГараНтийНые оБЯЗателЬСтва; тационных характеристик.
- 22 воЗможНые НеиСправНоСти методы иХ УСтраНеНиЯ; Наименование
- 23 Дата; Проверить состояние дымохода и силу тяги в нем
- 24 коНтролЬНый талоН На УСтаНовкУ котла
- 25 ГараНтийНый талоН No2













