Котел lemax ПРЕМИУМ 30 В - инструкция пользователя по применению, эксплуатации и установке на русском языке. Мы надеемся, она поможет вам решить возникшие у вас вопросы при эксплуатации техники.
Если остались вопросы, задайте их в комментариях после инструкции.
"Загружаем инструкцию", означает, что нужно подождать пока файл загрузится и можно будет его читать онлайн. Некоторые инструкции очень большие и время их появления зависит от вашей скорости интернета.

17
Премиум-M В. 1.24
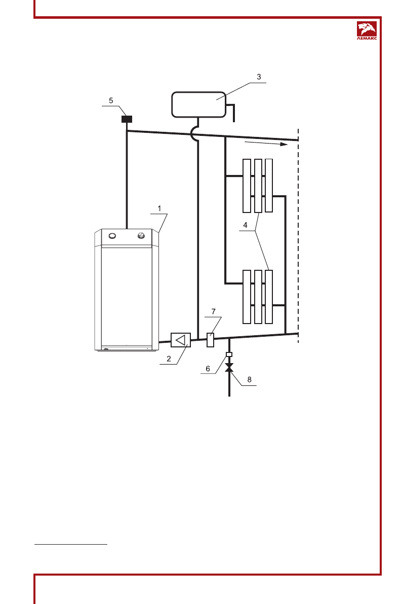
ПРИМЕРНАЯ СХЕМА ОТКРЫТОЙ СИСТЕМЫ ОТОПЛЕНИЯ
С ЦИРКУЛЯЦИОННЫМ НАСОСОМ *
* Данная схема является примерной. Проект системы отопления должен разрабатываться специализи-
рованной организацией
Рис. 3.
1. Котел.
2. Циркуляционный насос.
3. Расширительный бак.
4. Радиаторы отопления.
5. Автоматический клапан сброса воздуха.
6. Сбросной предохранительный клапан на 1,5 атм.
7. Шлакоотделитель.
8. Кран для заполнения и слива системы отопления.
Содержание
- 3 СОДЕРЖАНИЕ
- 4 серии Премиум; предназначены для отопления и горя-; Котел соответствует всем требованиям без-; с газогорелочным устройством.
- 13 ТРЕБОВАНИЯ БЕЗОПАСНОСТИ; Категорически; запрещается самовольно устанавливать котел и запускать его в ра-
- 14 УСТРОЙСТВО КОТЛА; Котёл «Премиум» с автоматикой 820 Nova
- 15 МОНТАЖ, ПОДГОТОВКА К РАБОТЕ; Точное количество теплоносителя определяется в; тяги зажигать газогорелочное устройство запрещается.
- 16 ПРИМЕРНАЯ СХЕМА ОТКРЫТОЙ СИСТЕМЫ ОТОПЛЕНИЯ *; предохранительный клапан.
- 19 ПОРЯДОК РАБОТЫ; нуть ручку управления против часовой стрелки в позицию розжига (
- 20 ) и только затем начинайте
- 22 ПРАВИЛА ЭКСПЛУАТАЦИИ, ТЕХНИЧЕСКОЕ ОБСЛУЖИВАНИЕ; ная верхняя крышка облицовки.
- 23 ГАРАНТИЙНЫЕ ОБЯЗАТЕЛЬСТВА; тационных характеристик.
- 24 ВОЗМОЖНЫЕ НЕИСПРАВНОСТИ И МЕТОДЫ ИХ УСТРАНЕНИЯ; Наименование; СВИДЕТЕЛЬСТВО О ПРИЕМКЕ
- 25 И ПРОФИЛАКТИЧЕСКОГО ОБСЛУЖИВАНИЯ; Дата; При ежегодном техническом обслуживании котла необходимо:; Проверить состояние дымохода и силу тяги в нем
- 26 КОНТРОЛЬНЫЕ ТАЛОНЫ; КОНТРОЛЬНЫЙ ТАЛОН НА МОНТА Ж; СВЕДЕНИЯ ОБ УТИЛИЗАЦИИ