Котел lemax Премиум 12,5N В стальной - инструкция пользователя по применению, эксплуатации и установке на русском языке. Мы надеемся, она поможет вам решить возникшие у вас вопросы при эксплуатации техники.
Если остались вопросы, задайте их в комментариях после инструкции.
"Загружаем инструкцию", означает, что нужно подождать пока файл загрузится и можно будет его читать онлайн. Некоторые инструкции очень большие и время их появления зависит от вашей скорости интернета.

Премиум-M В. 1.18
13
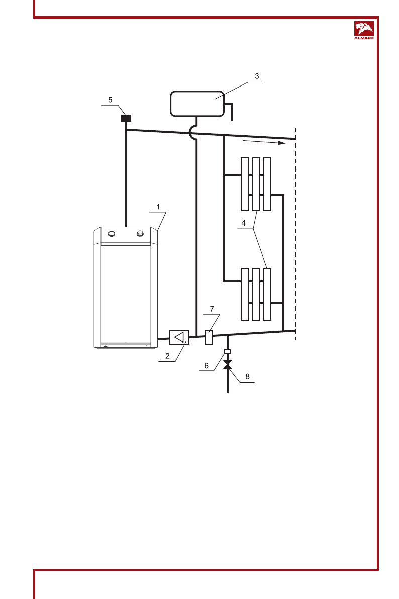
пРИмеРНаЯ СХема откРытой СИСтемы отоплеНИЯ
С цИРкУлЯцИоННым НаСоСом
Рис. 3.
1. Котел.
2. Циркуляционный насос.
3. Расширительный бак.
4. Радиаторы отопления.
5. Автоматический клапан сброса воздуха.
6. Сбросной предохранительный клапан на 1,5 атм.
7. Шлакоотделитель.
8. Кран для заполнения и слива системы отопления.