Котел lemax Патриот 20 стальной - инструкция пользователя по применению, эксплуатации и установке на русском языке. Мы надеемся, она поможет вам решить возникшие у вас вопросы при эксплуатации техники.
Если остались вопросы, задайте их в комментариях после инструкции.
"Загружаем инструкцию", означает, что нужно подождать пока файл загрузится и можно будет его читать онлайн. Некоторые инструкции очень большие и время их появления зависит от вашей скорости интернета.

8
Патриот В. 1.02
9
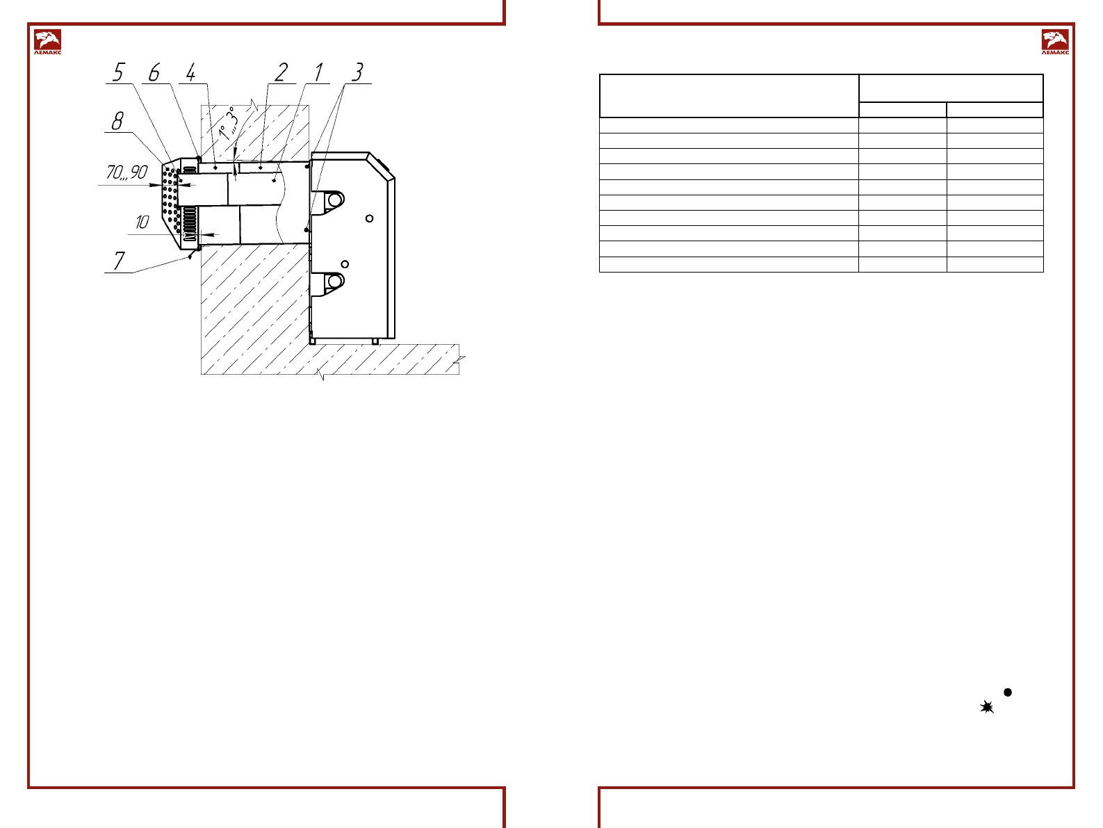
так, чтобы его торец выступал за наружную плоскость стены на 10 мм. Зафик-
сировать наружные дымоходы 2 и 4 в стене так, чтобы обеспечить уклон 1°…3°
(для отведения конденсата). Зазор между дымоходом и стеной заделать на всю
толщину прилегания негорючим материалом или строительным раствором.
6.4.6. С наружной стороны стены на внутренний дымоход 1 надеть внутренний дымо-
ход 5.
6.4.7. Разобрать дефлектор дымохода, выкрутив четыре самореза 6. На выступающие
на улицу торцы внутреннего 5 и наружного 4 дымоходов установить и закрепить
к стене дома крышку 7 дефлектора при помощи анкеров или дюбелей (в ком-
плект котла не входят).
6.4.8. Закрепить корпус 8 дефлектора к крышке 7 с помощью четырёх саморезов 6.
6.5. Требования к установке котла.
6.5.1. Проход с лицевой стороны котла должен быть не менее 1 м. Расстояние от
правой стороны котла до стены должно составлять не менее 400 мм.
6.5.2. Котел должен быть установлен в кухнях, или в нежилых (неслужебных) поме-
щениях возле внешних стен дома. Минимально допустимые расстояния от эле-
ментов фасада дома к краю патрубка отвода продуктов сгорания следует при-
нимать согласно таблицы 3.
таблица 3
место отвода
для котлов номинальной мощностью,
квт
6; 7,5
10; 12,5; 16; 20
Под приточным вентиляционным отверстием, м
2,5
2,5
Рядом с вентиляционным отверстием, м
0,6
1,5
Под окном, м
0,25
–
Рядом с окном, м
0,25
0,5
Над вентиляционным отверстием, окном, м
0,25
0,25
Над уровнем земли, поверхностью для прохода, м
0,5
2,2 *
Под частями дома, которые выступают более 0,4 м, м
2,0
3,0
Под частями дома, которые выступают менее 0,4 м, м
0,3
1,5
Под другим отводом, м
2,5
2,5
Рядом с другим отводом, м
1,5
1,5
* Минимально допустимое расстояние 2,2 м от уровня земли, поверхности для прохода к
краю патрубка отвода продуктов сгорания относится к случаю, если возле стены есть про-
ход людей. Если стена, на которой патрубок отвода продуктов сгорания выходит на газон,
огород, сад и т.п., т.е. нет прохода людей, расстояние от выхода патрубка отвода продуктов
сгорания к уровню земли допускается уменьшать до 0,5 м. Место выхода патрубка отвода
продуктов сгорания следует загородить сетчатой изгородью.
ЗаПРеЩаетСЯ
отвод продуктов сгорания:
– в подъезды, крытые переходы;
– закрытые балконы, лоджии, эркеры;
– если расстояние между краем патрубка отвода продуктов сгорания и элементами
фасада здания меньше значений указанных в таблице 3.
6.5.3. Стена дома, возле которой устанавливается котел, должна быть из негорючего
материала и без огнеопасного покрытия, как минимум, в пределах проекции
котла на стену.
6.5.4. Допускается расположение котла номинальной мощностью 6 и 7,5 кВт в подо-
конной нише, при условии, что расстояние по вертикали от верхней плоскости
котла к верхней плоскости ниши или нижней плоскости подоконника, выполнен-
ного из негорючих материалов или изолированного негорючими материалами,
не меньше 120 мм.
6.5.5. Для предупреждения эффекта электроосаждения рекомендуется при установке
котла использовать диэлектрическую вставку.
7.
ПоРЯдок РаБоты
Для включения котла необходимо проверить заполнение котла и системы отопления
водой. А так же проконтролировать давление газа в газопроводе.
для котлов мощностью от 6 до 20 квт с газогорелочным устройством на основе
итальянской автоматики «630 еURоSIT» и инжекционной горелки Pоlidоrо. (см. рис. 5)
7.1. Открыть газовый кран на подводящем газопроводе.
7.2. Начальное положение круглой ручки управления в позиции «выключено» (
). По-
вернуть ручку управления против часовой стрелки в позицию розжига (
).
7.3. Нажать ручку управления до упора и, не отпуская ее в течение 10-60 секунд, нажи-
мать кнопку пьезовоспламенителя до появления пламени на пилотной горелке.
После розжига запальной горелки ручку управления необходимо удерживать нажатой
60 секунд, затем плавно отпустить, если пламя погаснет – повторить пункт 7.2-7.3.,
1, 5 – Дымоход внутренний;
2, 4 – Дымоход наружный;
3 –
Саморезы крепления наружного
дымохода;
6 –
Саморезы;
7 –
Крышка дефлектора;
8 –
Корпус дефлектора.
Рис. 2. монтаж котла
Содержание
- 3 оБЩИе УкаЗаНИЯ; производятся владельцем котла.; комПлектНоСтЬ; теХНИЧеСкИе ХаРактеРИСтИкИ; с газогорелочным устройством.; Та; Показатель
- 4 точное количество теплоноси-
- 5 правой стороны котла до стены должно составлять не менее 400 мм.; таблица 3; место отвода; ЗаПРеЩаетСЯ; отвод продуктов сгорания:; ПоРЯдок РаБоты; водой. А так же проконтролировать давление газа в газопроводе.
- 6 Рис 3. Примерная схема открытой системы отопления
- 7 ку управления по часовой стрелке в позицию «выключено» (; ПРавИла ЭкСПлУатацИИ, теХНИЧеСкое оБСлУжИваНИе; трена съемная верхняя крышка.; ГаРаНтИйНые оБЯЗателЬСтва; тационных характеристик.
- 8 воЗможНые НеИСПРавНоСтИ И методы ИХ УСтРаНеНИЯ; Наименование; СвИдетелЬСтво о ПРИемке; Дата
- 9 коНтРолЬНый талоН На УСтаНовкУ котла; ГаРаНтИйНый талоН No1
- 10 СеРвИСНые цеНтРы













