Котел lemax CLEVER 40 105056 - инструкция пользователя по применению, эксплуатации и установке на русском языке. Мы надеемся, она поможет вам решить возникшие у вас вопросы при эксплуатации техники.
Если остались вопросы, задайте их в комментариях после инструкции.
"Загружаем инструкцию", означает, что нужно подождать пока файл загрузится и можно будет его читать онлайн. Некоторые инструкции очень большие и время их появления зависит от вашей скорости интернета.

10
Lemax-Clever V1.07
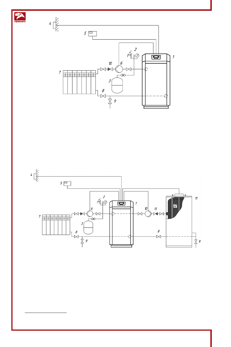
1. Котёл
2. Группа безопасности котла
3. Мембранный расширительный бак
4. Датчик уличной температуры (опция)
5. Комнатный термостат или выносной мо-
дуль(опция)
6. Циркуляционный насос системы отопления
7. Отопительный прибор
8. Запорная арматура
9. Сливной кран
10. Обратный клапан
Рис. 6. Примерная гидравлическая схема подключения котла
к системе отопления *
Рис. 7. Примерная гидравлическая схема подключения котла к системе отопления
и ёмкостному водонагревателю с двумя насосами *
* Данная схема является примерной. Проект системы отопления должен разрабатываться специализи-
рованной организацией.
1. Котёл
2. Группа безопасности котла
3. Мембранный расширительный бак
4. Датчик уличной температуры (опция)
5. Комнатный термостат или выносной модуль
(опция)
6. Циркуляционный насос системы отопления
7. Отопительный прибор
8. Запорная арматура
9. Сливной кран
10. Циркуляционный насос водонагревателя
11. Водонагреватель
12. Датчик ГВС (опция)
13. Обратный клапан