Котел lemax Classic-80 179841 - инструкция пользователя по применению, эксплуатации и установке на русском языке. Мы надеемся, она поможет вам решить возникшие у вас вопросы при эксплуатации техники.
Если остались вопросы, задайте их в комментариях после инструкции.
"Загружаем инструкцию", означает, что нужно подождать пока файл загрузится и можно будет его читать онлайн. Некоторые инструкции очень большие и время их появления зависит от вашей скорости интернета.

12
Классик 50-100 В. 1.00
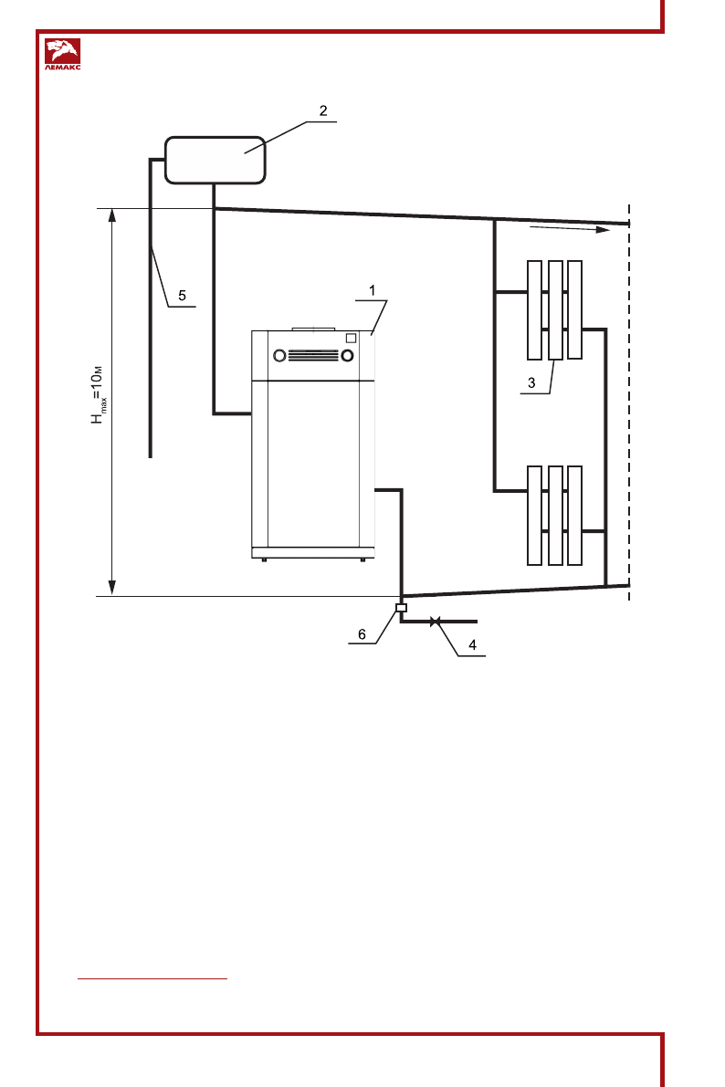
Рис. 2.
1. Котел.
2. Расширительный бачок.
3. Радиатор
отопления.
4. Кран для слива
и заполнения
отопительной
системы.
5. Сигнальная труба.
6. Сбросной
предохранительный клапан.
ПРИМЕРНАЯ СХЕМА ОТКРЫТОЙ СИСТЕМЫ ОТОПЛЕНИЯ *
* Данная схема является примерной. Проект системы отопления должен разрабатываться специализи-
рованной организацией.