Котел Leberg Flamme 24 ASF - инструкция пользователя по применению, эксплуатации и установке на русском языке. Мы надеемся, она поможет вам решить возникшие у вас вопросы при эксплуатации техники.
Если остались вопросы, задайте их в комментариях после инструкции.
"Загружаем инструкцию", означает, что нужно подождать пока файл загрузится и можно будет его читать онлайн. Некоторые инструкции очень большие и время их появления зависит от вашей скорости интернета.

16
8.8 –ПІДКЛЮЧЕННЯ КІМНАТНОГО
ТЕРМОСТАТУ
Для підключення кімнатного термостату з плати
керування виведений кабель зі встановленою
перемичкою.
При підключенні термостату видаліть перемичку та
підключіть
замість
неї
контакти
кімнатного
термостату.
Можна використовувати будь який кімнатний
термостат з контактами «чистого типу».
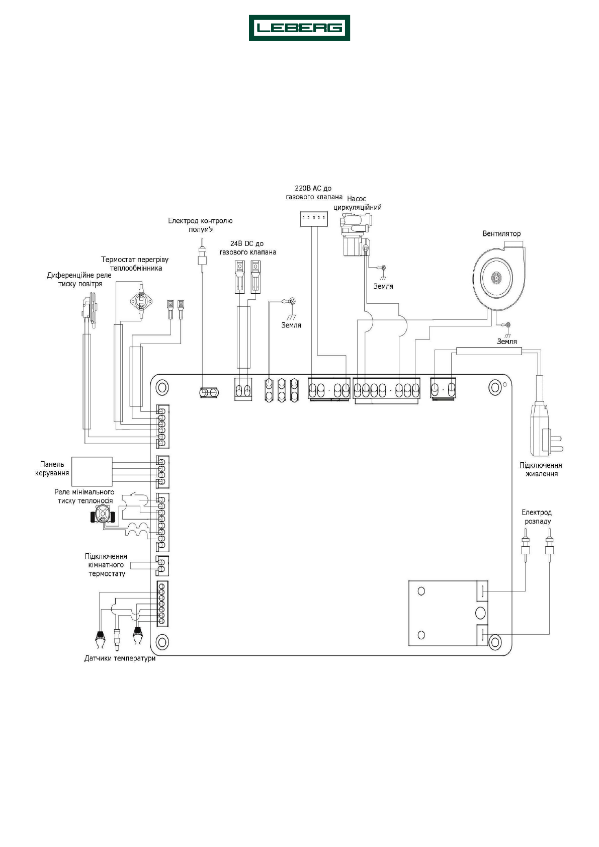
8.9 – СХЕМА ЕЛЕКТРИЧНИХ ПІДКЛЮЧЕНЬ
Характеристики
Остались вопросы?Не нашли свой ответ в руководстве или возникли другие проблемы? Задайте свой вопрос в форме ниже с подробным описанием вашей ситуации, чтобы другие люди и специалисты смогли дать на него ответ. Если вы знаете как решить проблему другого человека, пожалуйста, подскажите ему :)