Котел Leberg Design 20 ASF с битермическим теплообменником, закрытая камера сгорания - инструкция пользователя по применению, эксплуатации и установке на русском языке. Мы надеемся, она поможет вам решить возникшие у вас вопросы при эксплуатации техники.
Если остались вопросы, задайте их в комментариях после инструкции.
"Загружаем инструкцию", означает, что нужно подождать пока файл загрузится и можно будет его читать онлайн. Некоторые инструкции очень большие и время их появления зависит от вашей скорости интернета.

18
ПРИЛОЖЕНИЯ
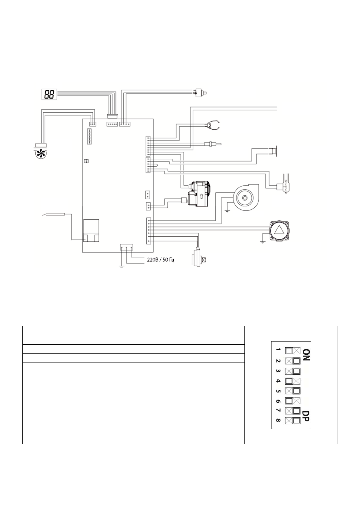
СХЕМА ЭЛЕКТРИЧЕСКИХ ПОДКЛЮЧЕНИЙ
МИКРОПЕРЕКЛЮЧАТЕЛИ
No OFF
ON
1
Сжиженный газ LPG
Природный газ G20
2
Два теплообменника
Битермический теплообменник
3
Радиаторное отопление
Напольное отопление
4
Датчик протока ГВС типа
ВКЛ / ВЫКЛ
Датчик протока ГВС типа Холла
5
Датчик давления
(измерительное)
Реле давления ВКЛ / ВЫКЛ
6
Только отопление
Отопление и ГВС
7
Постоянная работа при
достижении установленной
температуры
Работа в течение 5 мин. после
достижения установленной
температуры
8
Заводские настройки
Нормальная работа
Электродвигатель
трехходового клапана
Прессостат
Газовый клапан
Вентилятор
Циркуляционный
насос
Термостат перегрева
теплообменника
Комнатный
термостат
Реле минимального
давления теплоносителя
Датчик температуры
отопления
Датчик температуры
ГВС
Дисплей
Датчик
протока
ГВС
Электрод
розжига