Котел Лемакс Премиум-90 - инструкция пользователя по применению, эксплуатации и установке на русском языке. Мы надеемся, она поможет вам решить возникшие у вас вопросы при эксплуатации техники.
Если остались вопросы, задайте их в комментариях после инструкции.
"Загружаем инструкцию", означает, что нужно подождать пока файл загрузится и можно будет его читать онлайн. Некоторые инструкции очень большие и время их появления зависит от вашей скорости интернета.

13
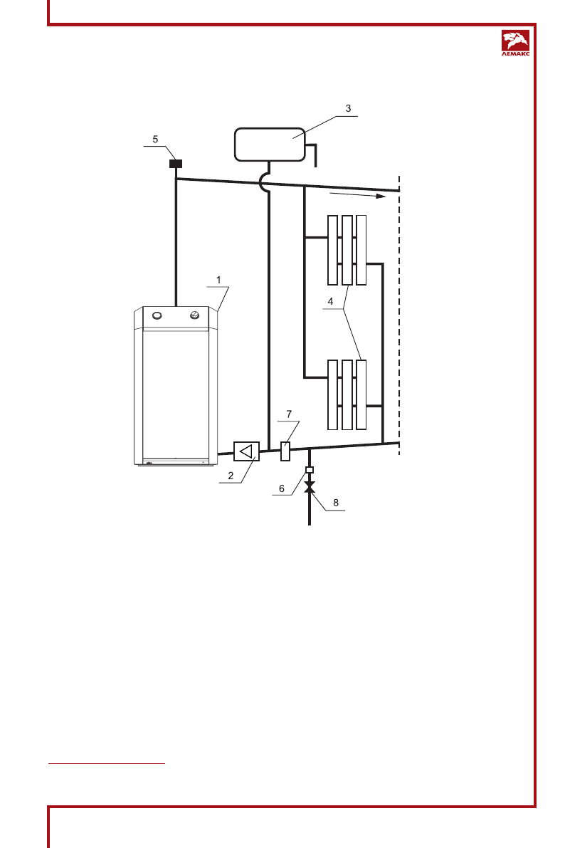
ПРИМЕРНАЯ СХЕМА ОТКРЫТОЙ СИСТЕМЫ ОТОПЛЕНИЯ
С ЦИРКУЛЯЦИОННЫМ НАСОСОМ *
Рис. 3.
1. Котел.
2. Циркуляционный насос.
3. Расширительный бак.
4. Радиаторы отопления.
5. Автоматический клапан сброса воздуха.
6. Сбросной предохранительный клапан на 1,5 атм.
7. Шлакоотделитель.
8. Кран для заполнения и слива системы отопления.
* Данная схема является примерной. Проект системы отопления должен разрабатываться специализи-
рованной организацией.
Содержание
- 3 СОДЕРЖАНИЕ
- 4 серии Премиум; предназначены для отопления и го-; Котел соответствует всем требованиям безо-; с газогорелочным устройством.; ТРЕБОВАНИЯ БЕЗОПАСНОСТИ
- 8 Категорически; запрещается самовольно устанавливать котел и запускать его в ра-; УСТРОЙСТВО КОТЛА
- 9 МОНТАЖ, ПОДГОТОВКА К РАБОТЕ; проекте на систему отопления.
- 12 предохранительный клапан.; ПРИМЕРНАЯ СХЕМА ОТКРЫТОЙ СИСТЕМЫ ОТОПЛЕНИЯ *
- 14 СХЕМА МОНТАЖА ДЫМОХОДА КОТЛА; тяги зажигать газогорелочное устройство запрещается.; ПОРЯДОК РАБОТЫ
- 16 ПРАВИЛА ЭКСПЛУАТАЦИИ, ТЕХНИЧЕСКОЕ ОБСЛУЖИВАНИЕ
- 17 ГАРАНТИЙНЫЕ ОБЯЗАТЕЛЬСТВА; тационных характеристик.
- 19 ВОЗМОЖНЫЕ НЕИСПРАВНОСТИ МЕТОДЫ ИХ УСТРАНЕНИЯ; Наименование
- 20 Дата; При ежегодном техническом обслуживании котла необходимо:; Проверить состояние дымохода и силу тяги в нем
- 21 КОНТРОЛЬНЫЕ ТАЛОНЫ; КОНТРОЛЬНЫЙ ТАЛОН НА МОНТА Ж
- 22 СВЕДЕНИЯ ОБ УТИЛИЗАЦИИ
- 24 СЕРВИСНЫЕ ЦЕНТРЫ
