Котел Лемакс PREMIER-29 - инструкция пользователя по применению, эксплуатации и установке на русском языке. Мы надеемся, она поможет вам решить возникшие у вас вопросы при эксплуатации техники.
Если остались вопросы, задайте их в комментариях после инструкции.
"Загружаем инструкцию", означает, что нужно подождать пока файл загрузится и можно будет его читать онлайн. Некоторые инструкции очень большие и время их появления зависит от вашей скорости интернета.

11
Премьер В. 2.04
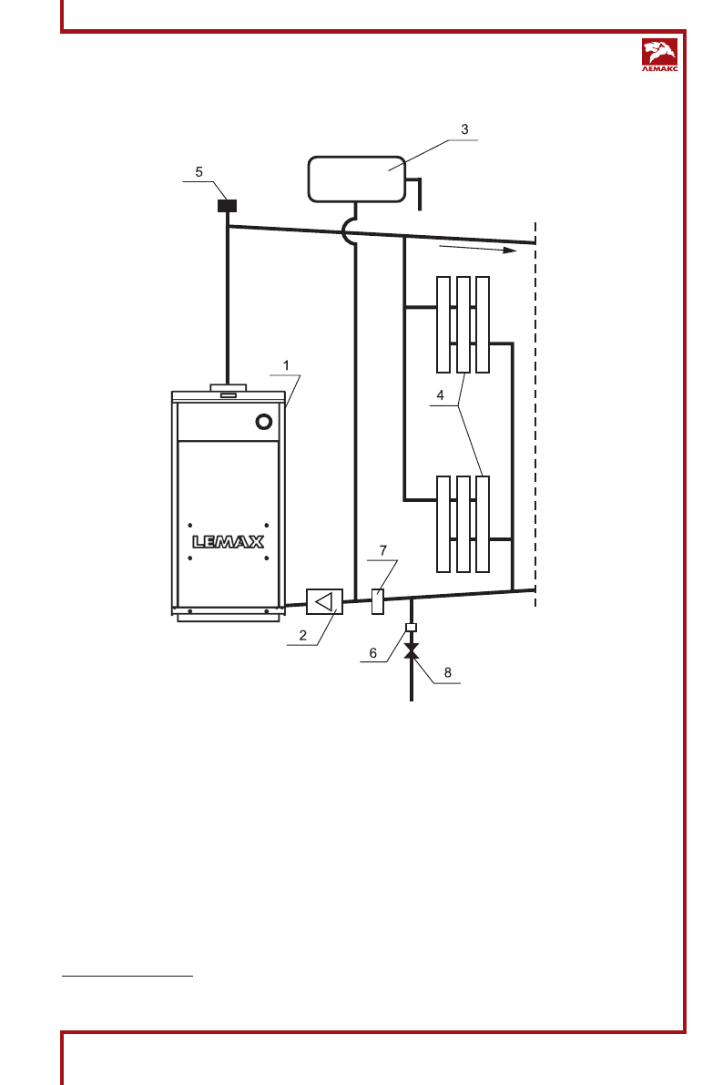
ПРИМЕРНАЯ СХЕМА ОТКРЫТОЙ СИСТЕМЫ ОТОПЛЕНИЯ
С ЦИРКУЛЯЦИОННЫМ НАСОСОМ
*
* Данная схема является примерной. Проект системы отопления должен разрабатываться специализиро-
ванной организацией.
Рис. 3.
1. Аппарат отопительный.
2. Циркуляционный насос.
3. Расширительный бак.
4. Радиаторы отопления.
5. Автоматический клапан сброса воздуха.
6. Сбросной предохранительный клапан на 1,5 атм.
7. Шлакоотделитель.
8. Кран для заполнения и слива системы отопления.
Содержание
- 3 СОДЕРЖАНИЕ
- 4 ОБЩИЕ УКАЗАНИЯ; Статистика отказов показывает, что 94% проблем с аппаратами; КОМПЛЕКТНОСТЬ; Аппарат отопительный со-; собранном виде с газогорелочным устройством.; ТРЕБОВАНИЯ БЕЗОПАСНОСТИ
- 7 Категорически; запрещается самовольно устанавливать аппарат отопительный и
- 8 УСТРОЙСТВО АППАРАТА ОТОПИТЕЛЬНОГО; Аппарат отопительный газовый бытовой «Premier»
- 9 МОНТАЖ, ПОДГОТОВКА К РАБОТЕ; не менее 8 м
- 10 ПРИМЕРНАЯ СХЕМА ОТКРЫТОЙ СИСТЕМЫ ОТОПЛЕНИЯ; предохранительный клапан.
- 13 ПОРЯДОК РАБОТЫ
- 14 ПРАВИЛА ЭКСПЛУАТАЦИИ, ТЕХНИЧЕСКОЕ ОБСЛУЖИВАНИЕ
- 15 смотрена легкосъемная верхняя крышка облицовки.; ГАРАНТИЙНЫЕ ОБЯЗАТЕЛЬСТВА; циями на это не уполномоченными
- 16 ВОЗМОЖНЫЕ НЕИСПРАВНОСТИ И МЕТОДЫ ИХ УСТРАНЕНИЯ; Наименование; СВИДЕТЕЛЬСТВО О ПРИЕМКЕ
- 17 И ПРОФИЛАКТИЧЕСКОГО ОБСЛУЖИВАНИЯ; Дата; Проверить состояние дымохода и силу тяги в нем
- 18 КОНТРОЛЬНЫЕ ТАЛОНЫ; КОНТРОЛЬНЫЙ ТАЛОН НА МОНТА Ж; СВЕДЕНИЯ ОБ УТИЛИЗАЦИИ
