Котел Лемакс Лидер-25(N) - инструкция пользователя по применению, эксплуатации и установке на русском языке. Мы надеемся, она поможет вам решить возникшие у вас вопросы при эксплуатации техники.
Если остались вопросы, задайте их в комментариях после инструкции.
"Загружаем инструкцию", означает, что нужно подождать пока файл загрузится и можно будет его читать онлайн. Некоторые инструкции очень большие и время их появления зависит от вашей скорости интернета.

15
Лидер V 2.19
7.5.
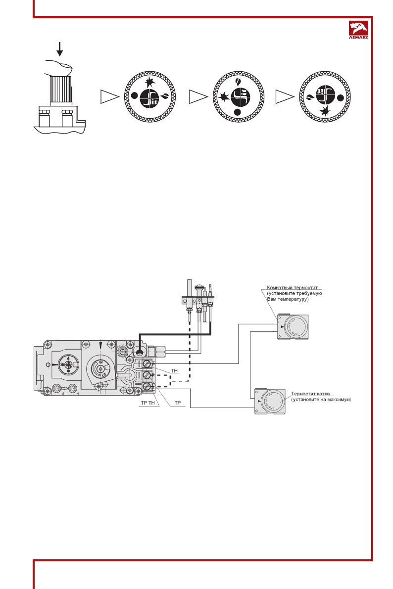
Выключение аппарата
производится путем поворота ручки в положение
«точка»
(рис.
9). При этом пилотная и основные горелки (если горят) погаснут.
7.6. Если ручка управления после перевода в положение
«точка»
сразу же устанавливается
в положение
«искра»
, то горелка
не зажжется
, пока не разблокируется так называемый
внутренний замок автоматики.
Блокировка снимается
автоматически после остывания
термопары (
прмерно через 60 сек
) после перевода ручки в положение
«точка»
.
7.7. Регулировка температуры теплоносителя осуществляется ручкой регулятора темпе-
ратуры на корпусе котла.
8.
УКАЗАНИЯ ПО МОНТАЖУ И ТЕХНИЧЕСКОМУ ОБСЛУЖИВАНИЮ
8.1. Объем помещения, в котором устанавливается котел, должен быть не менее 8 м
3
,
высота не менее 2 м.
Расстояние между облицовкой котла и стенами должно быть удобным для монтажа,
ремонта и эксплуатации, но не менее 10 см. Перед котлом должен быть проход, ши-
риной не менее 1 м.
8.2. В помещении, где устанавливается котел, должна быть естественная вентиляция.
8.3. При установке котла на пол с деревянным покрытием, пол изолируют несгораемым
материалом. Изоляция должна выступать за габариты котла на 10 см.
8.4. Соединения котла с системой отопления и газовой магистралью должны быть резь-
бовыми, позволяющими в случае необходимости отсоединять котел.
Если котел устанавливается взамен старого котла, необходимо обязательно промыть
Рис. 8
Рис. 9
Рис. 10
Рис. 11
СХЕМА ПОДКЛЮЧЕНИЯ КОМНАТНОГО РЕГУЛЯТОРА ТЕМПЕРАТУРЫ
(ДЛЯ КОТЛОВ, ОСНАЩЁННЫХ АВТОМАТИКОЙ БЕЗОПАСНОСТИ 820NOVA)
Содержание
- 3 СОДЕРЖАНИЕ
- 4 с газогорелочным устройством.; ТЕХНИЧЕСКИЕ ХАРАКТЕРИСТИКИ; – изменять конструкцию котла или его частей
- 9 тяги зажигать газогорелочное устройство запрещается.; ПОРЯДОК РАБОТЫ; ручку управления против часовой стрелки в позицию розжига (
- 13 ку управления по часовой стрелке в позицию «выключено» (; ) и только затем начинайте; Пьезорозжиг
- 15 УКАЗАНИЯ ПО МОНТАЖУ И ТЕХНИЧЕСКОМУ ОБСЛУЖИВАНИЮ
- 16 ПРИМЕРНАЯ СХЕМА МОНТАЖА СИСТЕМЫ ОТОПЛЕНИЯ *
- 18 ства или организация, обслуживающая бытовые газовые приборы.; ГАРАНТИЙНЫЕ ОБЯЗАТЕЛЬСТВА; несоблюдения правил установки и эксплуатации; ПРАВИЛА УПАКОВКИ, ТРАНСПОРТИРОВКИ И ХРАНЕНИЯ
- 20 ВОЗМОЖНЫЕ НЕИСПРАВНОСТИ И МЕТОДЫ ИХ УСТРАНЕНИЯ; Наименование
- 21 И ПРОФИЛАКТИЧЕСКОГО ОБСЛУЖИВАНИЯ; Дата; При ежегодном техническом обслуживании котла необходимо:
- 22 КОНТРОЛЬНЫЕ ТАЛОНЫ; КОНТРОЛЬНЫЙ ТАЛОН НА МОНТА Ж; СВЕДЕНИЯ ОБ УТИЛИЗАЦИИ
