Котел Лемакс КСГ-10Д - инструкция пользователя по применению, эксплуатации и установке на русском языке. Мы надеемся, она поможет вам решить возникшие у вас вопросы при эксплуатации техники.
Если остались вопросы, задайте их в комментариях после инструкции.
"Загружаем инструкцию", означает, что нужно подождать пока файл загрузится и можно будет его читать онлайн. Некоторые инструкции очень большие и время их появления зависит от вашей скорости интернета.

14
В. 1.30
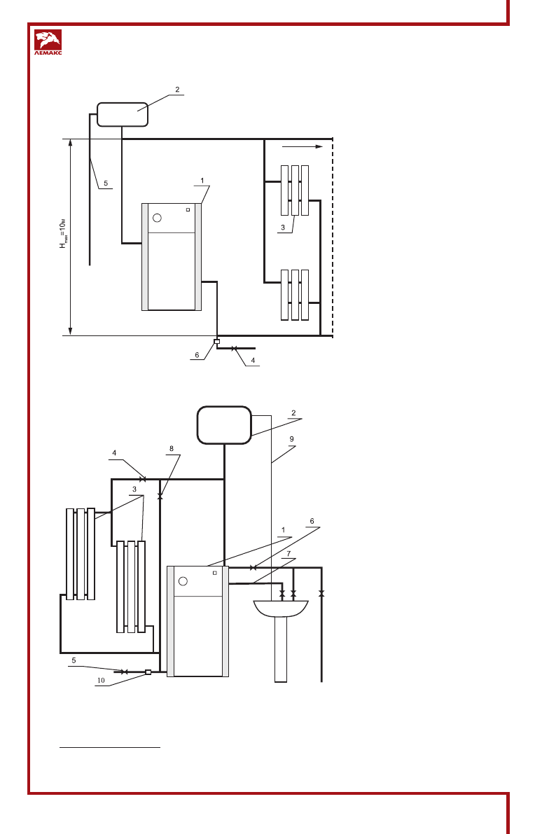
ПРИМЕРНЫЕ СХЕМЫ МОНТАЖА СИСТЕМЫ ОТОПЛЕНИЯ *
* Данные схемы являются примерными. Проект системы отопления должен разрабатываться специали-
зированной организацией.
Рис 3.
1. Котел.
2. Расширительный бачок.
3. Радиатор отопления.
4. Кран для слива и заполне-
ния отопительной системы.
5. Сигнальная труба.
6. Сбросной предохранитель-
ный клапан.
Рис 4.
1. Котел.
2. Расширительный бачок.
3. Радиаторы отопления.
4. Шаровой кран для отклю-
чения отопления
на летний период.
5. Кран для слива и заполне-
ния системы.
6. Кран холодной воды горя-
чего водоснабжения.
7. Выход горячей воды.
8. Шаровой кран
зима-лето.
9. Сигнальная труба.
10. Сбросной предохранитель-
ный клапан.
Содержание
- 3 СОДЕРЖАНИЕ
- 4 ВНИМАНИЕ; резко сокращающий срок; КОМПЛЕКТНОСТЬ
- 7 ТРЕБОВАНИЯ БЕЗОПАСНОСТИ; эксплуатировать котел с неисправной газовой автоматикой
- 8 НИКОГДА; НЕ ПРОИЗВОДИТЕ САМОСТОЯТЕЛЬНЫХ МАНИПУЛЯЦИЙ С ДАТЧИКОМ ТЯГИ!; тяги зажигать газогорелочное устройство запрещается.; ПОРЯДОК РАБОТЫ; ) и только затем начинайте
- 9 УКАЗАНИЯ ПО МОНТАЖУ, ТЕХНИЧЕСКОЕ ОБСЛУЖИВАНИЕ; стояние между облицовкой котла и стенами должно быть не менее:
- 11 ГАРАНТИЙНЫЕ ОБЯЗАТЕЛЬСТВА
- 13 газа на пилотную горелку (
- 14 ПРИМЕРНЫЕ СХЕМЫ МОНТАЖА СИСТЕМЫ ОТОПЛЕНИЯ *; ния отопительной системы.
- 15 ПРИМЕРНАЯ СХЕМА МОНТАЖА СИСТЕМЫ ОТОПЛЕНИЯ *
- 16 ВОЗМОЖНЫЕ НЕИСПРАВНОСТИ И МЕТОДЫ ИХ УСТРАНЕНИЯ; Наименование; СВИДЕТЕЛЬСТВО О ПРИЕМКЕ
- 18 КОНТРОЛЬНЫЕ ТАЛОНЫ; КОНТРОЛЬНЫЙ ТАЛОН НА МОНТА Ж; СВЕДЕНИЯ ОБ УТИЛИЗАЦИИ
- 20 СЕРВИСНЫЕ ЦЕНТРЫ
