Котел Лемакс CLEVER-20 - инструкция пользователя по применению, эксплуатации и установке на русском языке. Мы надеемся, она поможет вам решить возникшие у вас вопросы при эксплуатации техники.
Если остались вопросы, задайте их в комментариях после инструкции.
"Загружаем инструкцию", означает, что нужно подождать пока файл загрузится и можно будет его читать онлайн. Некоторые инструкции очень большие и время их появления зависит от вашей скорости интернета.

10
Lemax-Clever V1.05
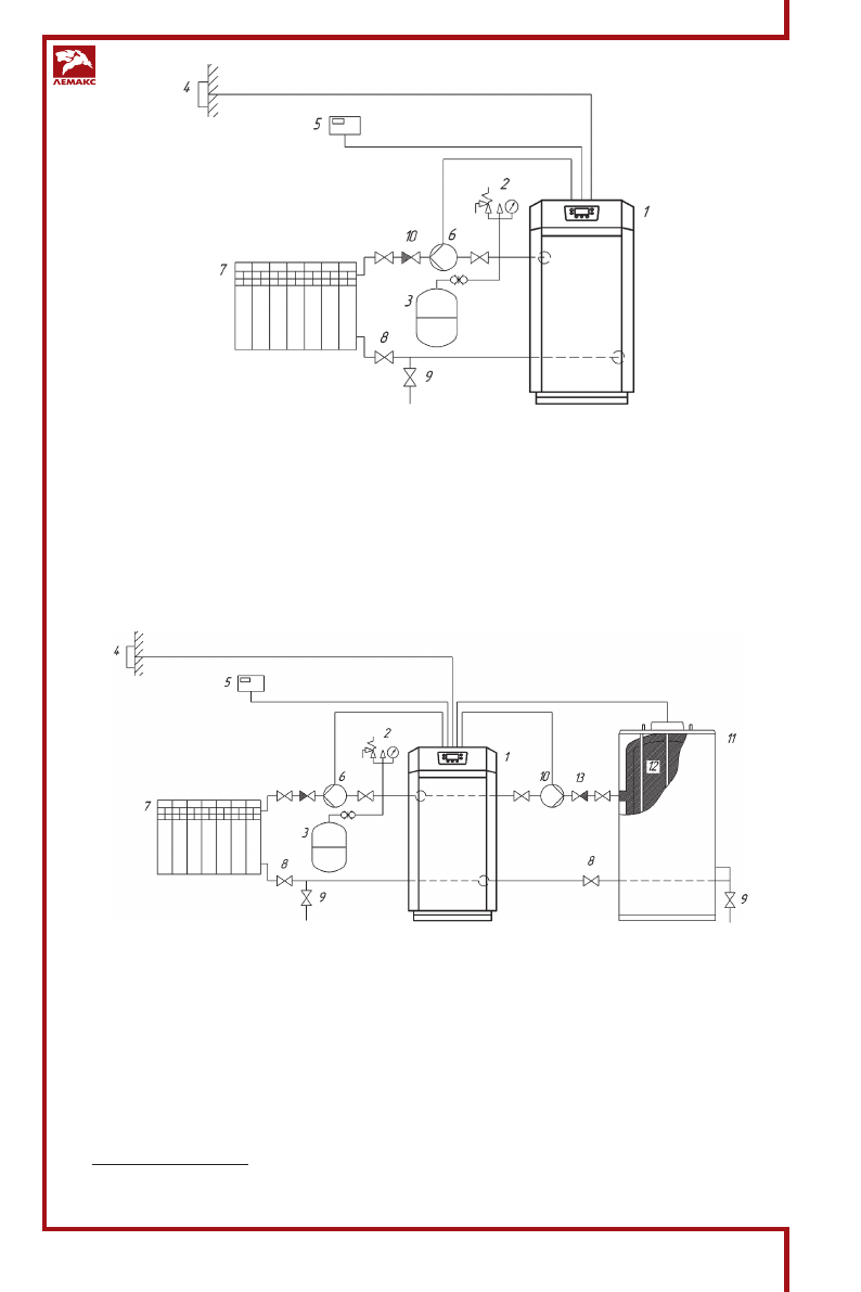
1. Котёл
2. Группа безопасности котла
3. Мембранный расширительный бак
4. Датчик уличной температуры (опция)
5. Комнатный
термостат
или
выносной
модуль(опция)
6. Циркуляционный насос системы отопления
7. Отопительный прибор
8. Запорная арматура
9. Сливной кран
10. Обратный клапан
Рис. 6. Примерная гидравлическая схема подключения котла
к системе отопления *
Рис. 7. Примерная гидравлическая схема подключения котла к системе отопления
и ёмкостному водонагревателю с двумя насосами *
* Данная схема является примерной. Проект системы отопления должен разрабатываться специализи-
рованной организацией.
1. Котёл
2. Группа безопасности котла
3. Мембранный расширительный бак
4. Датчик уличной температуры (опция)
5. Комнатный термостат или выносной модуль
(опция)
6. Циркуляционный насос системы отопления
7. Отопительный прибор
8. Запорная арматура
9. Сливной кран
10. Циркуляционный насос водонагревателя
11. Водонагреватель
12. Датчик ГВС (опция)
13. Обратный клапан
Содержание
- 3 СОДЕРЖАНИЕ
- 4 РУКОВОДСТВО ПО ЭКСПЛУАТАЦИИ; ОБЩИЕ УКАЗАНИЯ; нием правил окружающей среды.
- 5 ВВЕДЕНИЕ
- 6 ТЕХНИЧЕСКИЕ ХАРАКТЕРИСТИКИ; Таблица 1; Наименование параметров; му отопления с учётом всех теплопотерь здания.
- 8 МОНТАЖ КОТЛА; точно-вытяжная вентиляция в верхней и нижней части здания.; Рис. 4. Схема размещения котла в помещении
- 9 в проекте на систему отопления.; РЕКОМЕНДУЕМЫЕ ГИДРАВЛИЧЕСКИЕ СХЕМЫ ПОДКЛЮЧЕНИЯ КОТЛА
- 10 Рис. 6. Примерная гидравлическая схема подключения котла
- 11 и ёмкостному водонагревателю с разделительным клапаном *; ПУСК КОТЛА
- 12 Нажимая кнопку «MODE» можно выбрать режим работы котла; Таблица 5; OFF; или
- 13 НАСТРОЙКА СТАНДАРТНЫХ ПАРАМЕТРОВ КОТЛА
- 14 Таблица 6; метра
- 16 ПОДКЛЮЧЕНИЕ ДОПОЛНИТЕЛЬНЫХ УСТРОЙСТВ
- 17 Рис. 10. Подключение дополнительных устройств
- 18 ЭЛЕКТРООБОРУДОВАНИЕ; и максимальным диаметром 8 мм.
- 19 СООБЩЕНИЯ ОБ ОШИБКАХ; Для осуществления сброса ошибки котла нажмите кнопку; RESET
- 21 Важно! Режим заполнения КО теплоносителем.; НАСТРОЙКА ГАЗОВОГО КЛАПАНА
- 22 Таблица 8; УКАЗАНИЯ ПО УХОДУ; рами на газовом топливе»
- 23 ПАСПОРТ ИЗДЕЛИЯ; ОБЩИЕ СВЕДЕНИЯ; Габаритные размеры приведены на рисунке 4 и в таблице 3.; КОМПЛЕКТНОСТЬ; Наименование; Котел отопительный газовый «Лемакс» серии «CLEVER»; ГАРАНТИЙНЫЕ ОБЯЗАТЕЛЬСТВА; тационных характеристик.
- 25 ОТМЕТКИ О ПРОВЕДЕНИИ ЕЖЕГОДНОГО ТЕХНИЧЕСКОГО ОБСЛУЖИВАНИЯ; Дата
- 26 КОНТРОЛЬНЫЕ ТАЛОНЫ; КОНТРОЛЬНЫЙ ТАЛОН НА МОНТА Ж