Котел Лемакс АОГВ-6 - инструкция пользователя по применению, эксплуатации и установке на русском языке. Мы надеемся, она поможет вам решить возникшие у вас вопросы при эксплуатации техники.
Если остались вопросы, задайте их в комментариях после инструкции.
"Загружаем инструкцию", означает, что нужно подождать пока файл загрузится и можно будет его читать онлайн. Некоторые инструкции очень большие и время их появления зависит от вашей скорости интернета.

15
Газовик В. 2.08
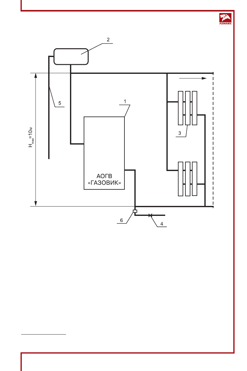
ПРИМЕРНАЯ СХЕМА МОНТАЖА СИСТЕМЫ ОТОПЛЕНИЯ *
* Данная схема является примерной. Проект системы отопления должен разрабатываться специализи-
рованной организацией.
Рис 2.
1. Аппарат.
2. Расширительный бачок.
3. Радиатор отопления.
4. Кран для слива и заполнения
отопительной системы.
5. Сигнальная труба.
6. Сбросной предохранительный клапан.
Содержание
- 3 СОДЕРЖАНИЕ
- 4 ВНИМАНИЕ; Требования к помещению, испльзуемому для установки аппарата:; КОМПЛЕКТНОСТЬ; виде с газогорелочным устройством.
- 5 ТРЕБОВАНИЯ БЕЗОПАСНОСТИ
- 9 ВАЖНАЯ ИНФОРМАЦИЯ; Аппарат снабжен датчиком контроля тяги в дымоходе.; НИКОГДА; НЕ ПРОИЗВОДИТЕ САМОСТОЯТЕЛЬНЫХ МАНИПУЛЯЦИЙ С ДАТЧИКОМ ТЯГИ!; УСТРОЙСТВО АППАРАТА; диэлек трическ ую вставк у на входе газа в аппарат.; ПОРЯДОК РАБОТЫ
- 10 только затем начинайте розжиг горелки.; УКАЗАНИЯ ПО МОНТАЖУ, ТЕХНИЧЕСКОЕ ОБСЛУЖИВАНИЕ; – 100 мм справа и слева
- 11 ГАРАНТИЙНЫЕ ОБЯЗАТЕЛЬСТВА
- 12 ПРАВИЛА УПАКОВКИ, ТРАНСПОРТИРОВАНИЯ И ХРАНЕНИЯ
- 13 ВОЗМОЖНЫЕ НЕИСПРАВНОСТИ И МЕТОДЫ ИХ УСТРАНЕНИЯ
- 15 ПРИМЕРНАЯ СХЕМА МОНТАЖА СИСТЕМЫ ОТОПЛЕНИЯ *; отопительной системы.
- 17 КОНТРОЛЬНЫЕ ТАЛОНЫ; КОНТРОЛЬНЫЙ ТАЛОН НА МОНТА Ж
- 18 СВЕДЕНИЯ ОБ УТИЛИЗАЦИИ