Котел Kospel EKCO R 15 - инструкция пользователя по применению, эксплуатации и установке на русском языке. Мы надеемся, она поможет вам решить возникшие у вас вопросы при эксплуатации техники.
Если остались вопросы, задайте их в комментариях после инструкции.
"Загружаем инструкцию", означает, что нужно подождать пока файл загрузится и можно будет его читать онлайн. Некоторые инструкции очень большие и время их появления зависит от вашей скорости интернета.

6
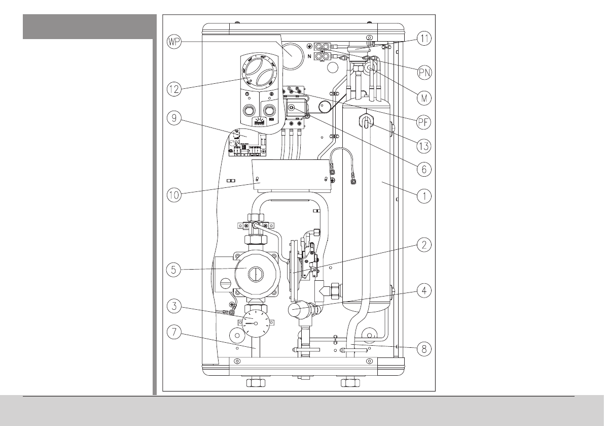
Конструкция электрического
котла EKCO.R1 складывается из
основных элементов:
- нагревательный узел [1], в
котором ТЭНы обогревают
циркулирующий теплоноси-
тель
- плата управления [9], кото-
рый контролирует работу
котла
- циркуляционный насос [5],
который обеспечивает цир-
к ул я ц и ю те п л о н о с и тел я
через котел
В котле использованы защит-
ные системы, предохраняющие
его от аварий:
- ограничитель температуры
[6], отключает электропи-
тание от котла при взросте
температуры свыше 100°C,
после срабатывания вы-
к лючателя эк сплуатация
котла невозможна, следует
обратиться в сервисный
пункт,
- датчик протока [2], следит за
величиной протока, требуе-
мой для нормальной работы
котла,
- клапан безопасности [4],
срабатывает при превыше-
нии допустимого давления
(3 бар) в отопительной си-
стеме
Рис.1 Конструкция трехфаз-
ного котла EKCO.R1
[1] - нагревательный узел
[2] - датчик протока (водный
узел)
[3] - манометр
[4] - клапан безопасности
[5] - циркуляционный насос
[6] - ограничитель температу-
ры
[7] - патрубок входа
[8] - патрубок выхода
[9] - плата управления
[10] - узел мощности
[11] - автоматический воздухо-
отводчик
[12] - панель управления
[13] - датчик температуры на
выходе
PF - место подключения фазных
проводов
PN - м ес то п о д к л юч е н и я за -
щитного и нейтрального
проводов
WP - место введения проводов в
котел
M - отверстия для крепления
котла
1
Конструкция
6
Руководство для монтажника