Котел Kospel EKCO.L1 24 z - инструкция пользователя по применению, эксплуатации и установке на русском языке. Мы надеемся, она поможет вам решить возникшие у вас вопросы при эксплуатации техники.
Если остались вопросы, задайте их в комментариях после инструкции.
"Загружаем инструкцию", означает, что нужно подождать пока файл загрузится и можно будет его читать онлайн. Некоторые инструкции очень большие и время их появления зависит от вашей скорости интернета.

11
RUS-016A/f.298
Комнатный регулятор темпе-
ратуры (RP)
- вход сигнальный,
отвечает за управление работой
котла зависимо от температуры в
помещении. Способ подключения
описан в разделе Монтаж, п.7.
Датчик температуры воды в
теплообменнике (Tzas) (только
в котлах типа EKCO.L1z и EKCO.
L1Nz)
– способ подключения по-
казан на рис.6. Внимание: следует
обратить внимание на полярность
проводов (белый (+) и желтый (-)),
датчик не работает при обратном
подключении. Если существу-
ет необходимомть удлинения
проводов, следует стремится к
тому, чтобы они были как можно
короче, слишком длинные прово-
да могут быть причиной помех и
неправильной работы датчика.
Провода нельзя прокладывать
вблизи проводов питания, их
также нельзя закручивать вокруг
других проводов.
Термостат таплообменника
(WZ) (только в котлах типа
EKCO.L1z и EKCO.L1Nz)
– сиг-
нальный вход наружного термо-
стата теплообменника. Замкнутый
вход WZ переключает систему на
запитку теплообменника.
Трехходовой кран (ZAS)
(только в котлах типа EKCO.L1z
и EKCO.L1Nz)
– компания Kospel
Подключение
наружных приборов
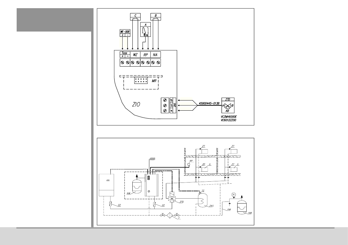
Рис.7 С о в м е с т н а я р а б о т а
приоритетного котла с
котлом EKCO
KN - приоритетный котел
PI - манометр
F - фильтр
RW - расширительная труба
NW - расширительный бак
ZT - термостатический клапан
ZP - проходной кран
G - радиатор
RP - комнатный регулятор
температуры
ZTD - трехходовой кран
ZAS - теплообменник
TZ - термостат теплообменни-
ка или датчик температу-
ры
ZZ - обратный клапан
6
Рис.6 Узел ZIO
ZTD - трехходовой кран
ZAS - место подключения трех-
ходового крана
Tzas - место подключения датчика
температуры теплообменника
WZ - место подключения термо-
стата теплообменника
RP - место подключения комнат-
ного регулятора темпера-
туры
NA - место подключения приори-
тетного прибора
MR - место подключения радиомодуля
7
На контакты RP, WZ, NA нельзя подавать напряжение
11
RUS-016A/f.298
Руководство для монтажника
бе
лый
же
лтый
черный
коричневый
синий

