Котел Kospel 4 кВт EKCO.LN2M-04 - инструкция пользователя по применению, эксплуатации и установке на русском языке. Мы надеемся, она поможет вам решить возникшие у вас вопросы при эксплуатации техники.
Если остались вопросы, задайте их в комментариях после инструкции.
"Загружаем инструкцию", означает, что нужно подождать пока файл загрузится и можно будет его читать онлайн. Некоторые инструкции очень большие и время их появления зависит от вашей скорости интернета.

4
Монтаж
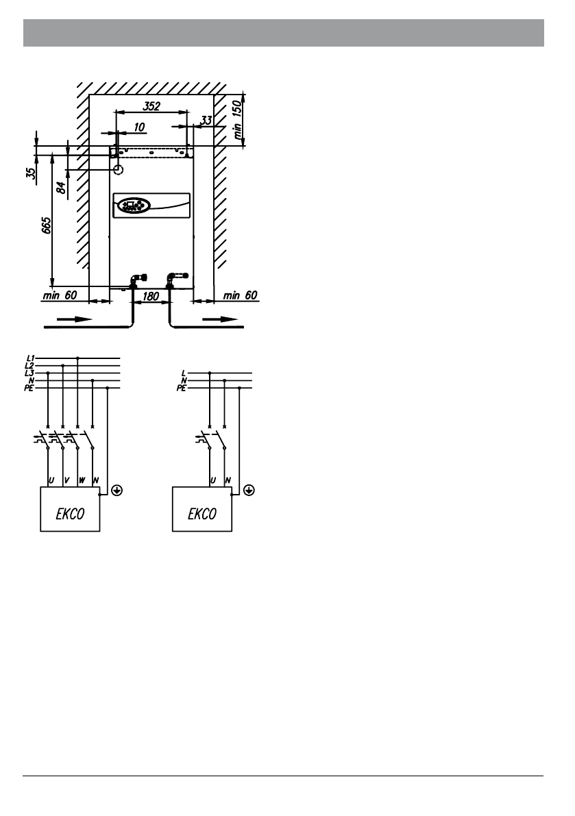
1. Закрепить котел на монтажных шурупах
в вертикальном положении патрубками
в н и з , о с т а в л я я м и н и м а л ь н о е
расстояние до стен и потолка.
2. Подключить котел к отопительной
проводке, оснащенной отсечными
кранами на входе в котел.
3. Наполнить отопительную проводку под
-
готовленным теплоносителем, что имеет
значительное влияние на долговечность
ТЭНов.
4. Уд а л и т ь возд у х и з ото п и тел ь н о й
системы.
5. Подключить котел к электросети.
6. З а м о н т и р о в а т ь к о м н а т н ы й
программатор согласно руководству
по его эксплуатации.
7. Подключить комнатный программатор
к котлу при помощи двухжильного
провода (напр. 2 х 0,35 мм
2
) к разъёмам
панели управления (вход RP).
8. П о с л е в ы п о л н е н и я у к а з а н н ы х
операций следует осуществить пуск
котла согласно пункту „Запуск”.
Следует убедиться, что на выходе регулятора помещения
отсутствует напряжение!
Не подключать напряжение к клеммам RT, NA,Thw, Text! Это может
привести к аварии панели управления.
!
вход
вход
выход
выход
Содержание
- 3 Условия безопасной и бесперебойной работы
- 4 Монтаж
- 6 Text
- 7 Подключение наружных приборов; EE; TThw; FF; TText
- 9 Запуск
- 10 Расширенные настройки
- 12 Обслуживание панели управления
- 13 Режим простоя
- 14 Зимний режим (отопление + ГВС, касается зимнего режима в совместной
- 16 Сигнализация рабочих состояний котла
- 17 Неправильная работа прибора
- 18 Технические данные