Интоис Оптима МК 9 кВт INTOIS 107 - Инструкция по эксплуатации - Страница 20

Котел Интоис Оптима МК 9 кВт INTOIS 107 - инструкция пользователя по применению, эксплуатации и установке на русском языке. Мы надеемся, она поможет вам решить возникшие у вас вопросы при эксплуатации техники.

Если остались вопросы, задайте их в комментариях после инструкции.

"Загружаем инструкцию", означает, что нужно подождать пока файл загрузится и можно будет его читать онлайн. Некоторые инструкции очень большие и время их появления зависит от вашей скорости интернета.
Страница:
/ 53
Загружаем инструкцию
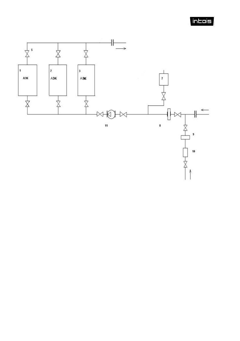
background image

 

- 20 - 

Руководство пользователя 

АЭК «INTOIS OPTIMA MK» 

АЭК (ведущий котёл). 

1.

 

ЭК  (ведомый котёл). 

2.

 

ЭК (ведомый котёл). 

3.

 

Шаровые краны. 

4.

 

Воздухосборник. 

5.

 

Фильтр очистки воды. 

6.

 

Редуктор давления. 

7.

 

Обратный клапан. 

8.

 

Насос. 

 
 
 
 
 
 
 
 

Полезные видео

Характеристики

Оцените статью
tehnopanorama.ru
Остались вопросы?

Не нашли свой ответ в руководстве или возникли другие проблемы? Задайте свой вопрос в форме ниже с подробным описанием вашей ситуации, чтобы другие люди и специалисты смогли дать на него ответ. Если вы знаете как решить проблему другого человека, пожалуйста, подскажите ему :)

Задать вопрос

Часто задаваемые вопросы
Как посмотреть инструкцию к Интоис Оптима МК 9 кВт INTOIS 107?
Необходимо подождать полной загрузки инструкции в сером окне на данной странице
Руководство на русском языке?
Все наши руководства представлены на русском языке или схематично, поэтому вы без труда сможете разобраться с вашей моделью
Как скопировать текст из PDF?
Чтобы скопировать текст со страницы инструкции воспользуйтесь вкладкой "HTML"