Котел Интоис Оптима МК 27 кВт INTOIS 101 - инструкция пользователя по применению, эксплуатации и установке на русском языке. Мы надеемся, она поможет вам решить возникшие у вас вопросы при эксплуатации техники.
Если остались вопросы, задайте их в комментариях после инструкции.
"Загружаем инструкцию", означает, что нужно подождать пока файл загрузится и можно будет его читать онлайн. Некоторые инструкции очень большие и время их появления зависит от вашей скорости интернета.

- 15 -
Руководство пользователя
АЭК «INTOIS OPTIMA MK»
ТРЕБОВАНИЯ К МОНТАЖУ
И ПУСКОНАЛАДОЧНЫМ РАБОТАМ
Подготовка оборудования
!!! ВНИМАНИЕ !!!
Перед началом монтажа АЭК в отопительную систему
необходимо произвести протяжку ТЭН и проверить надежность
крепления кабелей в АЭК
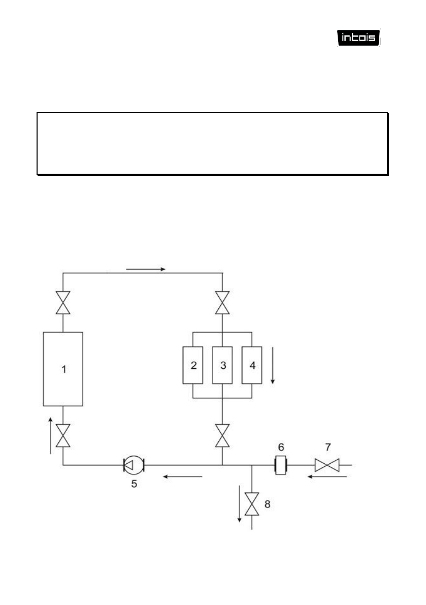
Установка и порядок подключения АЭК
АЭК крепится к стене через отверстия которые находятся на задней крышке,
выходным патрубком вверх. Не допускается установка группы безопасности над АЭК
(во избежание попадания аварийного сброса теплоносителя на АЭК).
Рекомендуемая схема подключения АЭК к системе теплообеспечения
Содержание
- 2 Внимание; Перед пуском Автоматического Электрического; Данная процедура необходима для устранения люфта ТЭН, могущего
- 3 СОДЕРЖАНИЕ
- 4 ВВЕДЕНИЕ
- 5 Адрес изготовителя:
- 8 ТРЕБОВАНИЯ БЕЗОПАСНОСТИ; Требования по установке и эксплуатации; Монтаж АЭК в отопительную систему и подключение к электросети
- 9 Без заземления АЭК НЕ ВКЛЮЧАТЬ!; Требования к системе отопления; Автономная система отопления должна содержать:; Для подключения АЭК к электрической сети необходимо
- 10 КОМПЛЕКТ ПОСТАВКИ
- 11 ТРАНСПОРТИРОВКА И ХРАНЕНИЕ; АЭК следует хранить в заводской упаковке в закрытых помещениях с; УСТРОЙСТВО АЭК
- 13 В верхней части теплообменника установлены термореле, датчик
- 14 Клеммная колодка платы контроллера
- 16 N A B C; питающий провод насоса; N N; нейтральный провод насоса
- 17 Наличие Дифавтомата с стационарной проводке обязательно.; Датчик температуры помещения крепится на стене, в защищѐнном от; Применение других проводов, а также их удлинение не
- 18 Требования к теплоносителю; Опрессовку АЭК проводить при давлении не выше 6Атм., либо при; Запрещается производить включение АЭК если изложенные; В случае использования несоответствующего теплоносителя или; должна быть в открытом состоянии.
- 19 КАСКАДНОЕ ПОДКЛЮЧЕНИЕ АЭК; ведомых электрокотлов серии Оптима, подключенными в каскад.
- 20 Включение и Выключение «Интоис Оптима МК»; Когда котел установлен нажмите кнопку
- 21 Программирование «Интоис Оптима МК; «Ввод»; Режимы работы котла; Режим «Климат» (на дисплее котла обозначается буквой «К»); Программы работы котла; «Постоянная»
- 22 «Календарная»; Возможность программирования до 10 изменений температуры и; Постоянная программа.; Нажмите кнопку «Ввод» на блоке компьютерного управления котла; В вод
- 24 Стрелками «Вверх вниз – вправо влево» задайте
- 27 Календарный график; В пункте меню «Выбор режима» выберите программу «Календарный
- 28 Режим – «Бойлер» или «Климат»; Дополнительные настройки; Пролистывая кнопками «Вверх-вниз» выберите пункт меню
- 30 Установка даты и время; Если оборван или отсоединен от котла датчик температуры
- 31 Управление котлом через SMS (отдельная опция); Установка GSM модуля:
- 32 - 4/2 SMS центр – ручной ввод номера смс центра
- 33 УПРАВЛЕНИЕ КОТЛОМ ЧЕРЕЗ GSM
- 34 соответствующее уведомление:
- 35 соответствующим уведомлением:
- 36 GSM; ПРАВИЛА ЭКСПЛУАТАЦИИ И ТЕХНИЧЕСКОЕ; программы работы электрического котла.
- 39 ГАРАНТИЙНЫЕ ОБЯЗАТЕЛЬСТВА
- 41 ГАРАНТИЙНЫЙ ТАЛОН; ПЕЧАТЬ
- 42 АЭК не подлежит бесплатному ремонту в следующих случаях:
- 44 Талон на установку; Монтажной организацией; М.П.
- 45 Техническое обслуживание
- 46 Выполненные работы; ООО «Интоис Оптима МК»; ООО «Интоис Оптима МК»; Выполненные работы; ООО «Интоис Оптима МК»; Выполненные работы













