Котел Интоис Оптима МК 15 кВт INTOIS 105 - инструкция пользователя по применению, эксплуатации и установке на русском языке. Мы надеемся, она поможет вам решить возникшие у вас вопросы при эксплуатации техники.
Если остались вопросы, задайте их в комментариях после инструкции.
"Загружаем инструкцию", означает, что нужно подождать пока файл загрузится и можно будет его читать онлайн. Некоторые инструкции очень большие и время их появления зависит от вашей скорости интернета.

- 15 -
Руководство пользователя
АЭК «INTOIS OPTIMA MK»
ТРЕБОВАНИЯ К МОНТАЖУ
И ПУСКОНАЛАДОЧНЫМ РАБОТАМ
Подготовка оборудования
!!! ВНИМАНИЕ !!!
Перед началом монтажа АЭК в отопительную систему
необходимо произвести протяжку ТЭН и проверить надежность
крепления кабелей в АЭК
Установка и порядок подключения АЭК
АЭК крепится к стене через отверстия которые находятся на задней крышке,
выходным патрубком вверх. Не допускается установка группы безопасности над АЭК
(во избежание попадания аварийного сброса теплоносителя на АЭК).
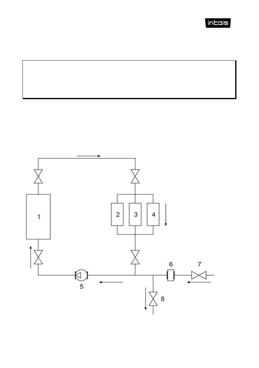
Рекомендуемая схема подключения АЭК к системе теплообеспечения
приведена ниже. (рис. 3)