Котел Интоис One МК 12 кВт INTOIS 133 - инструкция пользователя по применению, эксплуатации и установке на русском языке. Мы надеемся, она поможет вам решить возникшие у вас вопросы при эксплуатации техники.
Если остались вопросы, задайте их в комментариях после инструкции.
"Загружаем инструкцию", означает, что нужно подождать пока файл загрузится и можно будет его читать онлайн. Некоторые инструкции очень большие и время их появления зависит от вашей скорости интернета.

- 15 -
Руководство пользователя
АЭК «INTOIS ONE MK»
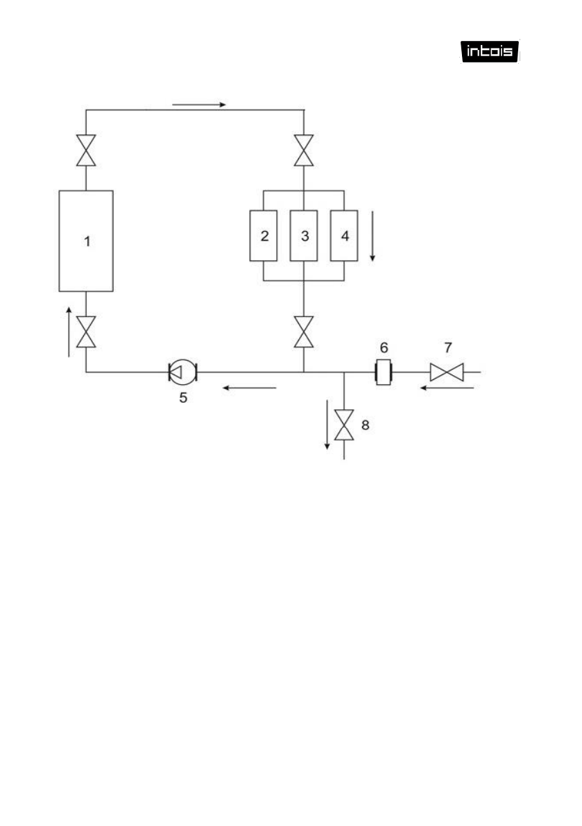
Рекомендуемая схема подключения АЭК к системе теплообеспечения
приведена ниже. (рис. 3)
1.
АЭК
2.
3.4. Теплообменники (радиаторы)
5.
Циркуляционный насос
6.
Фильтр очистки воды
7.
Кран заполнения системы
8.
Сливной кран
Подключение АЭК к электросети производится с помощью кабеля, сечением
соответствующим в таблице технические параметры п.7,8,9 настоящего руководства.
К колодке поз.8 (рис.2.1 и рис.2.2).