Котел Интоис Комфорт МК 15 кВт INTOIS 159 - инструкция пользователя по применению, эксплуатации и установке на русском языке. Мы надеемся, она поможет вам решить возникшие у вас вопросы при эксплуатации техники.
Если остались вопросы, задайте их в комментариях после инструкции.
"Загружаем инструкцию", означает, что нужно подождать пока файл загрузится и можно будет его читать онлайн. Некоторые инструкции очень большие и время их появления зависит от вашей скорости интернета.

- 13 -
Руководство пользователя
АЭК «INTOIS COMFORT MK»
ТРЕБОВАНИЯ К МОНТАЖУ
И ПУСКОНАЛАДОЧНЫМ РАБОТАМ
Подготовка оборудования
!!! ВНИМАНИЕ !!!
Перед началом монтажа АЭК в отопительную систему необходимо
произвести протяжку ТЭН и проверить надежность крепления
кабелей в АЭК
Установка и порядок подключения АЭК
АЭК крепится к стене через отверстия которые находятся на задней крышке,
выходным патрубком вверх. Не допускается установка группы безопасности над АЭК (во
избежание попадания аварийного сброса теплоносителя на АЭК).
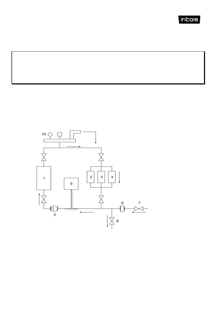
Рекомендуемая (необязательная) схема подключения АЭК к системе
теплообеспечения приведена ниже. (рис. 3)
1.
АЭК
2.
3.4. Теплообменники (радиаторы)
5.
Циркуляционный насос
6.
Фильтр очистки воды
7.
Кран заполнения системы
8.
Сливной кран
9.
Расширительный бак
10.
Группа безопасности
Содержание
- 2 СОДЕРЖАНИЕ
- 3 ВВЕДЕНИЕ; Интоис Комфорт МК
- 4 © ООО «Интоис Оптима». Все права защищены.; ТЕХНИЧЕСКИЕ ПАРАМЕТРЫ
- 5 Тип котла; «Интоис
- 7 ТРЕБОВАНИЯ БЕЗОПАСНОСТИ; Требования по установке и эксплуатации; Монтаж АЭК в отопительную систему и подключение к электросети; Ремонт и техническое обслуживание АЭК производится только при; Без заземления АЭК НЕ ВКЛЮЧАТЬ!
- 8 Наличие Дифавтомата с стационарной проводке обязательно.; Требования к системе отопления; Автономная система отопления должна содержать:; Для подключения АЭК к электрической сети необходимо; Безопасность эксплуатации АЭК обеспечивается за счет:
- 9 КОМПЛЕКТ ПОСТАВКИ
- 10 УСТРОЙСТВО АЭК; Внутри
- 11 «Интоис Комфорт МК»
- 12 Клеммная колодка платы контроллера
- 13 Рекомендуемая (необязательная) схема подключения АЭК к системе
- 14 N A B C
- 15 Требования к теплоносителю; рекомендуется; Запрещается производить включение АЭК если изложенные выше; В случае использования несоответствующего теплоносителя или в; быть в открытом состоянии.
- 16 ПОРЯДОК ВКЛЮЧЕНИЯ; Регуляторы задания температуры котла, помещения и ГВС
- 17 Включение и выключение электрокотла Интоис Комфорт; нагрева помещения необходимо повернуть регулятор до отметки 0
- 18 ПРАВИЛА ЭКСПЛУАТАЦИИ И ТЕХНИЧЕСКОЕ; программы работы электрического котла.
- 19 ГАРАНТИЙНЫЕ ОБЯЗАТЕЛЬСТВА; Предприятие-изготовитель гарантирует безотказную работу:
- 20 сети и обратиться в сервисную службу.
- 21 ГАРАНТИЙНЫЙ ТАЛОН; ПЕЧАТЬ
- 22 ПАМЯТКА ПОКУПАТЕЛЮ; АЭК не подлежит бесплатному ремонту в следующих случаях:
- 23 Гарантийный талон, содержащий исправления, недействителен, за
- 24 Талон на установку; Монтажной организацией; М.П.
- 25 Техническое обслуживание
- 26 Выполненные работы; ООО «Интоис Оптима»; ООО «Интоис Оптима»; Выполненные работы; ООО «Интоис Оптима»; Выполненные работы













