Котел Fondital RODI Dual 200 - инструкция пользователя по применению, эксплуатации и установке на русском языке. Мы надеемся, она поможет вам решить возникшие у вас вопросы при эксплуатации техники.
Если остались вопросы, задайте их в комментариях после инструкции.
"Загружаем инструкцию", означает, что нужно подождать пока файл загрузится и можно будет его читать онлайн. Некоторые инструкции очень большие и время их появления зависит от вашей скорости интернета.

15
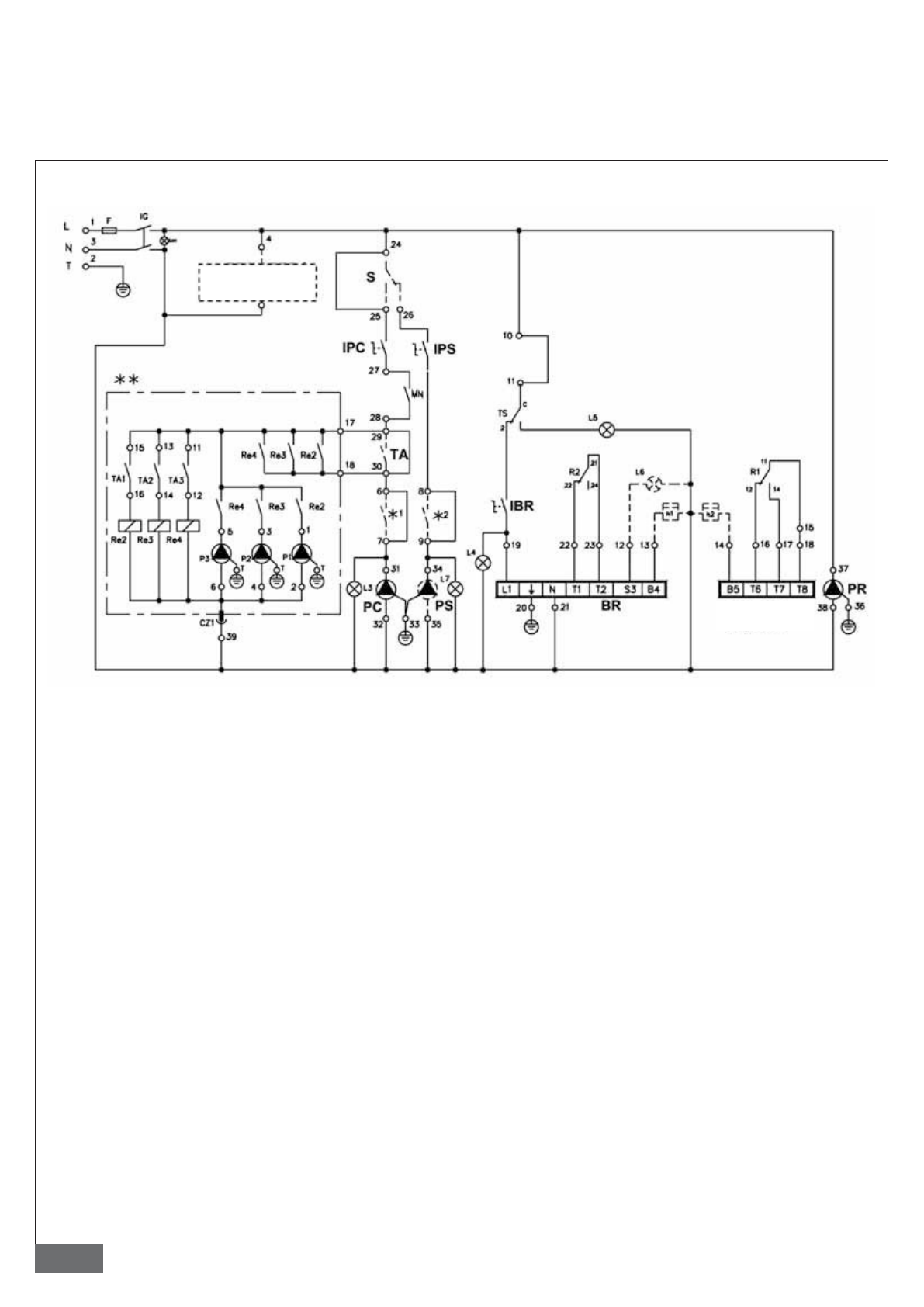
рис. 6
Условные обозначения
IG: Главный выключатель
L, N, T: соединения к электролинии 230В, 50 Гц.
IPC: Переключатель циркуляционного насоса
контура отопления
IPS: выключатель циркуляционного насоса ГВС
IBR: Переключатель горелки
L3: Свет. индикатор главного циркуляционного 
насоса
L4: Свет. индикатор "горелка включена"
L5: Свет. индикатор защитного термостата
L6: Свет. индикатор блокировки горелки (не входит в
комплект поставки)
L7: Свет. индикатор циркуляционного насоса ГВС
TA: Термостат температуры окруж. воздуха
R1: Термостат отопительной системы: 1-ый контакт
R2: Термостат отопительной системы: 2-ой контакт
TS: Защитный термостат
F: Плавкий предохранитель F4A 250В
BR: горелка
BR – 2° stadio: двухступенчатая горелка
PC: циркуляционный насос отопительной системы
PS: циркуляционный насос линии ГВС
PR: циркуляционный насос котла
P1: насос зоны 1
P2: насос зоны 2
P3: насос зоны 3
TA1 : термостат температуры окружающей среды для 
зоны 1
TA2 : термостат температуры окружающей среды для 
зоны 2
TA3 : термостат температуры окружающей среды для 
зоны 3
S: термостат приоритета ГВС (не входит в комплект 
поставки)
h1: счетчик часов работы 1-ой ступени горелки (не
входит в комплект поставки)
h2: счетчик часов работы 2°-ой ступени горелки (не
входит в комплект поставки)
* блок терморегуляции и соответствующие контакты 
(не входят в комплект поставки)
** блок зональных насосов (только для пульт 
управления вариант Р)
3.3. Подключение к электросети
Электрическая система утройства, приспособленого только для обогрева помещений, соответствует требованиям 
нормативных документов, некоторые из которых имеют общий характер, другие – специфический, касающийся отдельных 
способов использования или типов горючего. В любом случае, необходимо следовать требованиям нормативных 
документов, действующих в стране установки аппарата.
3.3.1. Электрическая схема
Блок
терморегуляции
BR - 2° stadio

 
 
 
 
 
 
 
 
 
 
 
 
 
 
 
 
 
 
 
 
 
 
 
 
 
 
 
 
 
 
 
 
 