Котел FLAMES КОД-35ГТ - инструкция пользователя по применению, эксплуатации и установке на русском языке. Мы надеемся, она поможет вам решить возникшие у вас вопросы при эксплуатации техники.
Если остались вопросы, задайте их в комментариях после инструкции.
"Загружаем инструкцию", означает, что нужно подождать пока файл загрузится и можно будет его читать онлайн. Некоторые инструкции очень большие и время их появления зависит от вашей скорости интернета.

- 21 -
5.4.5
Запрещается в качестве теплоносителя использовать
жидкости
,
не
предназначенные
для систем отопления.
5.5
СХЕМЫ ПОДКЛЮЧЕНИЯ КОТЛА К СИСТЕМЕ ОТОПЛЕНИЯ
5.5.1
Трубы для подключения котла должны устанавливаться без напряжений
.
5.5.2
Все краны системы отопления при эксплуатации котла должны быть открыты
полностью.
5.5.3
В
системе отопления должно быть предусмотрено воздухоотделение.
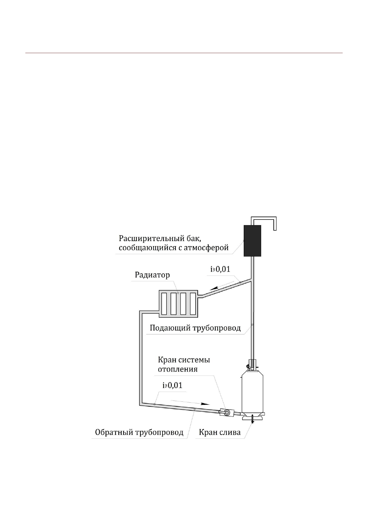
5.5.4
Открытая система (схема открытой системы с естественной циркуляцией
представлена
на рисунке
13):
Преимущества
:
энергонезависимость
.
Недостатки
:
соприкосновение
с атмосферой и насыщение теплоносителя воздухом.
Поэтому при
эксплуатации
возможен небольшой шум,
развитие коррозии внутри
топки
и
незначительное снижение теплосъема
.
Запрещается устанавливать запорно
-
регулирующую
арматуру
на подающем
трубопроводе от
котла до расширительного бака.
Рисунок
13
–
Схема открытой
системы отопления с естественной циркуляцией
5.5.5
Закрытая система (схема закрытой системы
с принудительной циркуляцией
представлена на рисунке
14):
Содержание
- 2 Flames; Разработчик и производитель:
- 4 Н А З Н А Ч Е Н И Е; В В Е Д Е Н И Е; открытого типа; О П И С А Н И Е К О Н С Т Р У К Ц И И
- 8 Т Е Х Н И Ч Е С К И Е Х А Р А К Т Е Р И С Т И К И; КОТЛЫ С ВЕРТИКАЛЬНОЙ ДЫМОВОЙ ТРУБОЙ; Тепловая
- 12 КОТЛЫ С ГОРИЗОНТАЛЬНОЙ ДЫМОВОЙ ТРУБОЙ; Таблица; Высота от
- 16 КОМПЛЕКТАЦИЯ; У С Т А Н О В К А; ТРЕБОВАНИЕ К КОТЕЛЬНОЙ
- 17 УСТАНОВКА КОТЛА В КОТЕЛЬ НОЙ; Рисунок
- 18 ПОДКЛЮЧЕНИЕ КОТЛА К ДЫМОВОЙ ТРУБЕ; AISI
- 19 Варианты расположения трубы на скате крыши показаны на рисунке
- 20 ПОДКЛЮЧЕНИЕ К СИСТЕМЕ ОТОПЛЕНИЯ; pH
- 21 СХЕМЫ ПОДКЛЮЧЕНИЯ КОТЛА К СИСТЕМЕ ОТОПЛЕНИЯ
- 23 П Р И М Е Н Е Н И Е А Н Т И Ф Р И З О В В С И С Т Е М Е О Т О П Л Е Н И Я
- 25 Т О П К А К О Т Л А; ПОДГОТОВКА КОТЛА; Регулирование в ручном режиме
- 26 З А П У С К К О Т Л А И О С Н О В Н Ы Е Р Е Ж И М Ы Г О Р Е Н И Я; РЕЖИМ ВНЕШНЕГО ГОРЕНИЯ (ЭКОНОМИЧНЫЙ , ДЛИТЕЛЬНЫЙ; Укладку
- 29 Г А Р А Н Т И Й Н Ы Е О Б Я З А Т Е Л Ь С Т В А
- 30 Условия прекра щения действия гарантийны х обязательств
- 32 СВИДЕТЕЛЬСТВО О ПРИЕМКЕ; ГАРАНТИЙНЫЙ ТАЛОН
- 35 Реквизиты организации, выполнившей гарантийный ремонт