Котел Ferroli Tantaqua N - инструкция пользователя по применению, эксплуатации и установке на русском языке. Мы надеемся, она поможет вам решить возникшие у вас вопросы при эксплуатации техники.
Если остались вопросы, задайте их в комментариях после инструкции.
"Загружаем инструкцию", означает, что нужно подождать пока файл загрузится и можно будет его читать онлайн. Некоторые инструкции очень большие и время их появления зависит от вашей скорости интернета.

FG
33
FR
cod. 3540I950 - 06/2007 (Rev. 00)
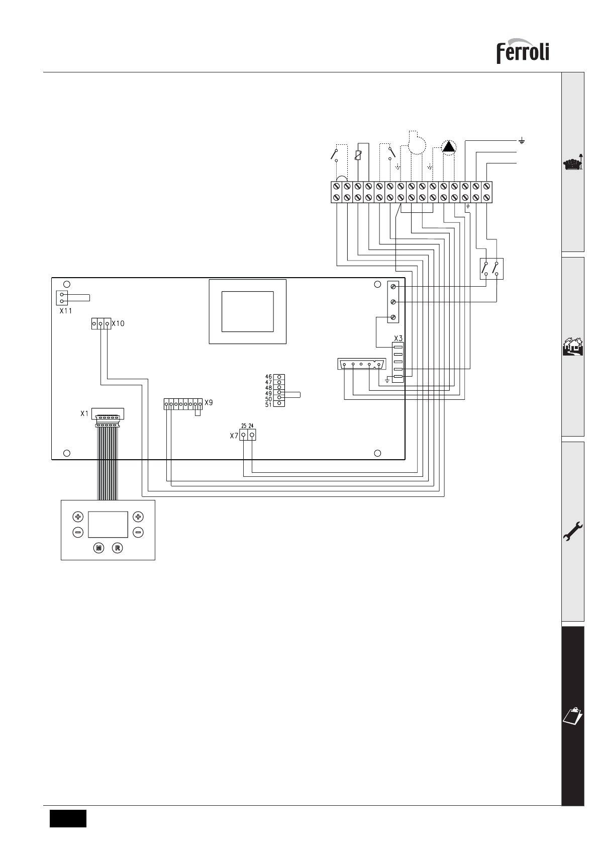
4.4 Schéma électrique
fig. 8 - Schéma électrique
16
Ventilateur
32
Circulateur circuit chauffage
72
Thermostat d'ambiance (non fourni)
34
Capteur de température chauffage
296
Micro-interrupteur porte
N
N
N
L
N
230V
50Hz
32
16
34
3
4
5
6
7
8
9
10
11
12
13
14
N
L
296
CP24
MLC23.01
59 58 57 56 55 54 53 52
93 92 91
5 4 3 2 1
X12
X16
72
98
 
 
 
 
 
 
 
 
 
 
 
 
 
 
 
 
 
 
 
 
 
 
 
 
 
 
 
 
 
 
 
 
 
 
 
 
 
 
 
 
 
 
 
 
 
 
 
 
 
 
 
 