Котел Ferroli PEGASUS с атмосферной горелкой - инструкция пользователя по применению, эксплуатации и установке на русском языке. Мы надеемся, она поможет вам решить возникшие у вас вопросы при эксплуатации техники.
Если остались вопросы, задайте их в комментариях после инструкции.
"Загружаем инструкцию", означает, что нужно подождать пока файл загрузится и можно будет его читать онлайн. Некоторые инструкции очень большие и время их появления зависит от вашей скорости интернета.

Pegasus
25
4 . 5
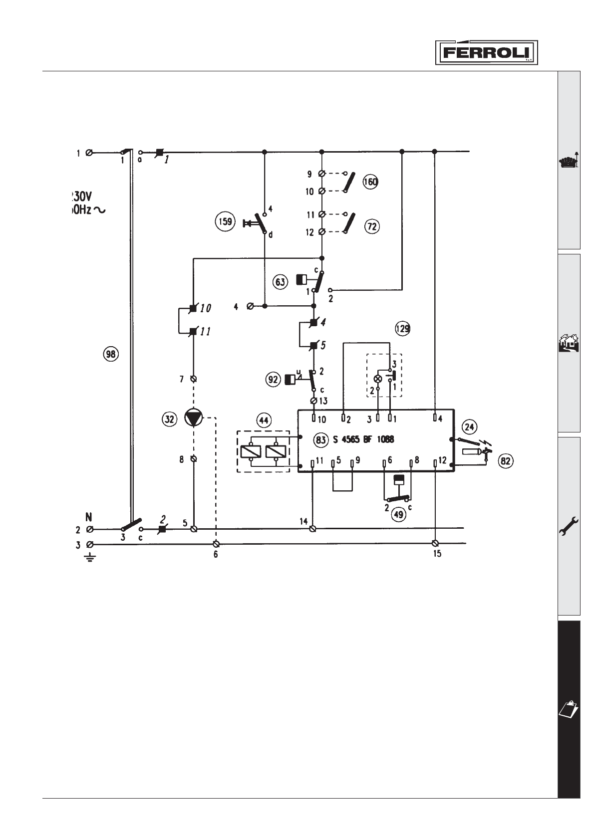
úÔ¯ˆÚÏʸ¯ÁˆÍ˛ Á‰¯˙Í
—ÊÁ. 14a
”ÎÊÁÍ˝Ê¯
24 úÔ¯ˆÚÏÓ ÏÓÙ≈Ê˘Í
32 ˚ÊψÈÔ˛˚ÊÓ˝˝˜ı ˝ÍÁÓÁ ÁÊÁÚ¯˙˜ ÓÚÓÎÔ¯˝Ê˛
44 fiÍÙÓ˘ı ˆÔÍÎÍ˝
49 ◊¯Ï˙ÓÁÚÍÚ ¬¯ÙÓÎÍÁ˝ÓÁÚÊ
72 ◊¯Ï˙ÓÁÚÍÚ ÎÓ˙¯Û¯˝Ê˛ (˝¯ ÎÓÁÚÍËÔ˛¯ÚÁ˛)
82 úÔ¯ˆÚÏÓ ˆÓ˝ÚÏÓÔ˛ ÎÔÍ˙¯˝Ê
83 úÔ¯ˆÚÏÓ˝˝˜ı ˆÓ˝ÚÏÓÔÔ¯Ï
92 ◊¯Ï˙ÓÁÚÍÚ ˜˙Ó˘‰ ˘ÍÙÓË
98 Õ˜ˆÔ√¸ÍÚ¯ÔÒ
129 ¤˝ÓÎˆÍ Î¯Ï¯ÙÍÎÈÁˆÍ Á ÁÊ˘˝ÍÔÒ˝Óı ÔÍ˙ÎÓ¸ˆÓı
159 ¤˝ÓÎˆÍ Ú¯ÁÚÊÏÓËÍ˝Ê˛
160 ’ÓÎÓÔ˝ÊÚ¯ÔÒ˝˜¯ ˆÓ˝Ú͈ژ
Характеристики
Остались вопросы?Не нашли свой ответ в руководстве или возникли другие проблемы? Задайте свой вопрос в форме ниже с подробным описанием вашей ситуации, чтобы другие люди и специалисты смогли дать на него ответ. Если вы знаете как решить проблему другого человека, пожалуйста, подскажите ему :)