Котел Ferroli GN1 K - инструкция пользователя по применению, эксплуатации и установке на русском языке. Мы надеемся, она поможет вам решить возникшие у вас вопросы при эксплуатации техники.
Если остались вопросы, задайте их в комментариях после инструкции.
"Загружаем инструкцию", означает, что нужно подождать пока файл загрузится и можно будет его читать онлайн. Некоторые инструкции очень большие и время их появления зависит от вашей скорости интернета.

9
GN1K
Opisanie
Opisanie
Opisanie
Opisanie
Opisanie
1
1
1
1
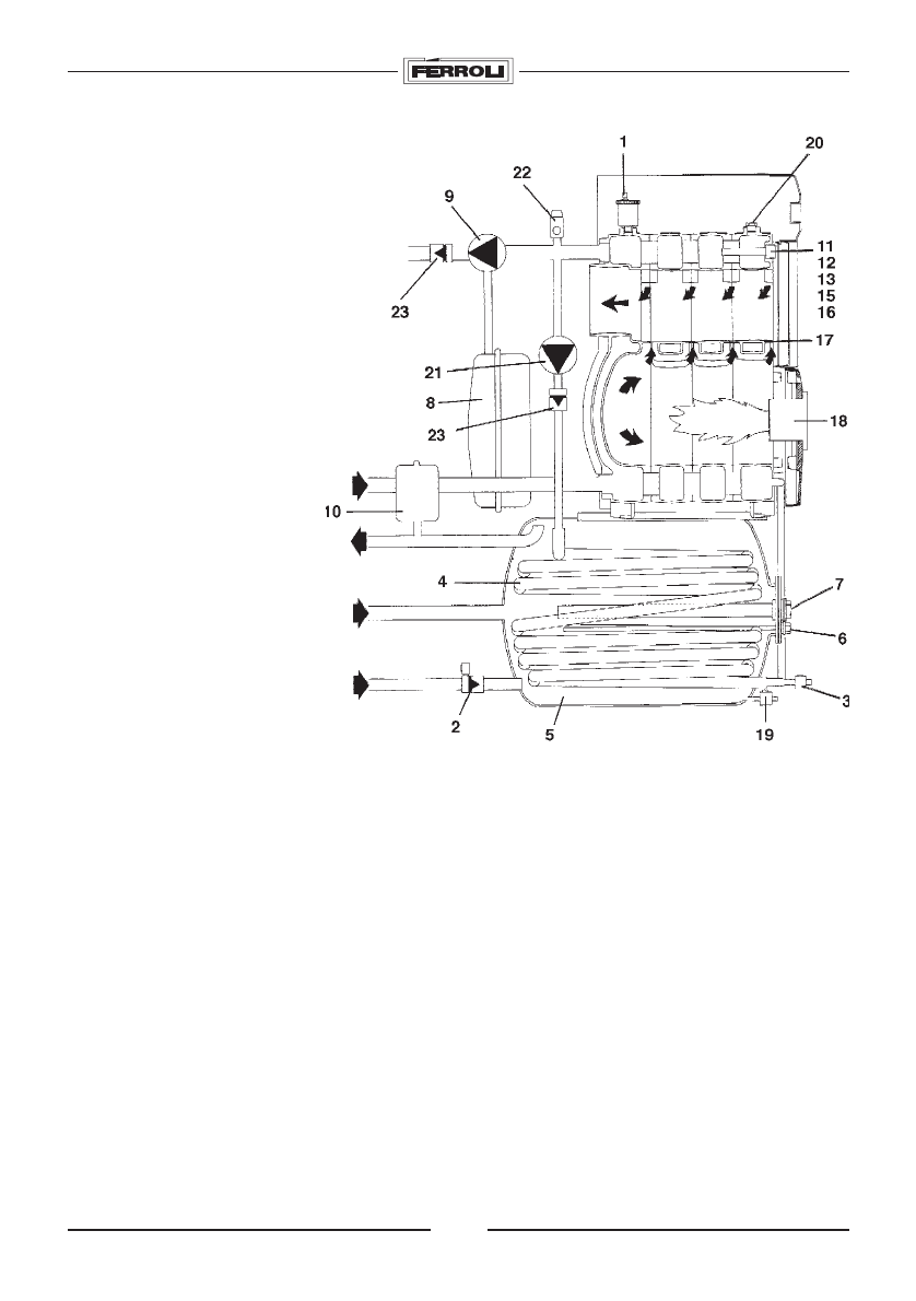
1 Avtomatiheskij vantuz
2
2
2
2
2 Obratnyj predoxranitel;nyj klapan
(ne vxodit v postavku)
3
3
3
3
3 Slivnoj kran sistemy
4
4
4
4
4 Zmeevik
5
5
5
5
5 Bojler
6
6
6
6
6 Regulirovohnyj termostat bojlera
7
7
7
7
7 Anod
8
8
8
8
8 Raswiritel;nyj bak otopleniq
(ne vxodit v postavku)
9
9
9
9
9 Nasos-cirkulqtor otopleniq
(ne vxodit v postavku)
10
10
10
10
10 Raswiritel;nyj bak bojlera
(ne vxodit v postavku)
Ris. 4
VXOD XOLODNOJ VODY
VXOD XOLODNOJ VODY
VXOD XOLODNOJ VODY
VXOD XOLODNOJ VODY
VXOD XOLODNOJ VODY
CIRKULQCIQ
CIRKULQCIQ
CIRKULQCIQ
CIRKULQCIQ
CIRKULQCIQ
VYXOD GORQHEJ VODY
VYXOD GORQHEJ VODY
VYXOD GORQHEJ VODY
VYXOD GORQHEJ VODY
VYXOD GORQHEJ VODY
OBRATNYJ XOD SISTEMY
OBRATNYJ XOD SISTEMY
OBRATNYJ XOD SISTEMY
OBRATNYJ XOD SISTEMY
OBRATNYJ XOD SISTEMY
PRQMOJ XOD SISTEMY
PRQMOJ XOD SISTEMY
PRQMOJ XOD SISTEMY
PRQMOJ XOD SISTEMY
PRQMOJ XOD SISTEMY
2.03 Gidravliheskaq sxema
2.03 Gidravliheskaq sxema
2.03 Gidravliheskaq sxema
2.03 Gidravliheskaq sxema
2.03 Gidravliheskaq sxema
11
11
11
11
11 Predel;nyj termostat bojlera
12
12
12
12
12 Predoxranitel;nyj termostat
13
13
13
13
13 Termometr kotla
14
14
14
14
14 Termometr bojlera
15
15
15
15
15 Predoxranitel;nyj termostat
16
16
16
16
16 Termostat nasosa-cirkulqtora
17
17
17
17
17 Korpus kotla
18
18
18
18
18 Gorelka
19
19
19
19
19 Slivnoj kran bojlera
20
20
20
20
20 Gidrometr
21
21
21
21
21 Nasos-cirkulqtor bojlera
22
22
22
22
22 Predoxranitel;nyj klapan
(ne vxodit v postavku)
23
23
23
23
23 Obratnyj klapan