Котел Ferroli Energy Top W 70 - инструкция пользователя по применению, эксплуатации и установке на русском языке. Мы надеемся, она поможет вам решить возникшие у вас вопросы при эксплуатации техники.
Если остались вопросы, задайте их в комментариях после инструкции.
"Загружаем инструкцию", означает, что нужно подождать пока файл загрузится и можно будет его читать онлайн. Некоторые инструкции очень большие и время их появления зависит от вашей скорости интернета.

ENERGY TOP W 70 - W 80 - W 125
88
RU
cod. 3540S800 - 06/2009 (Rev. 00)
5.6
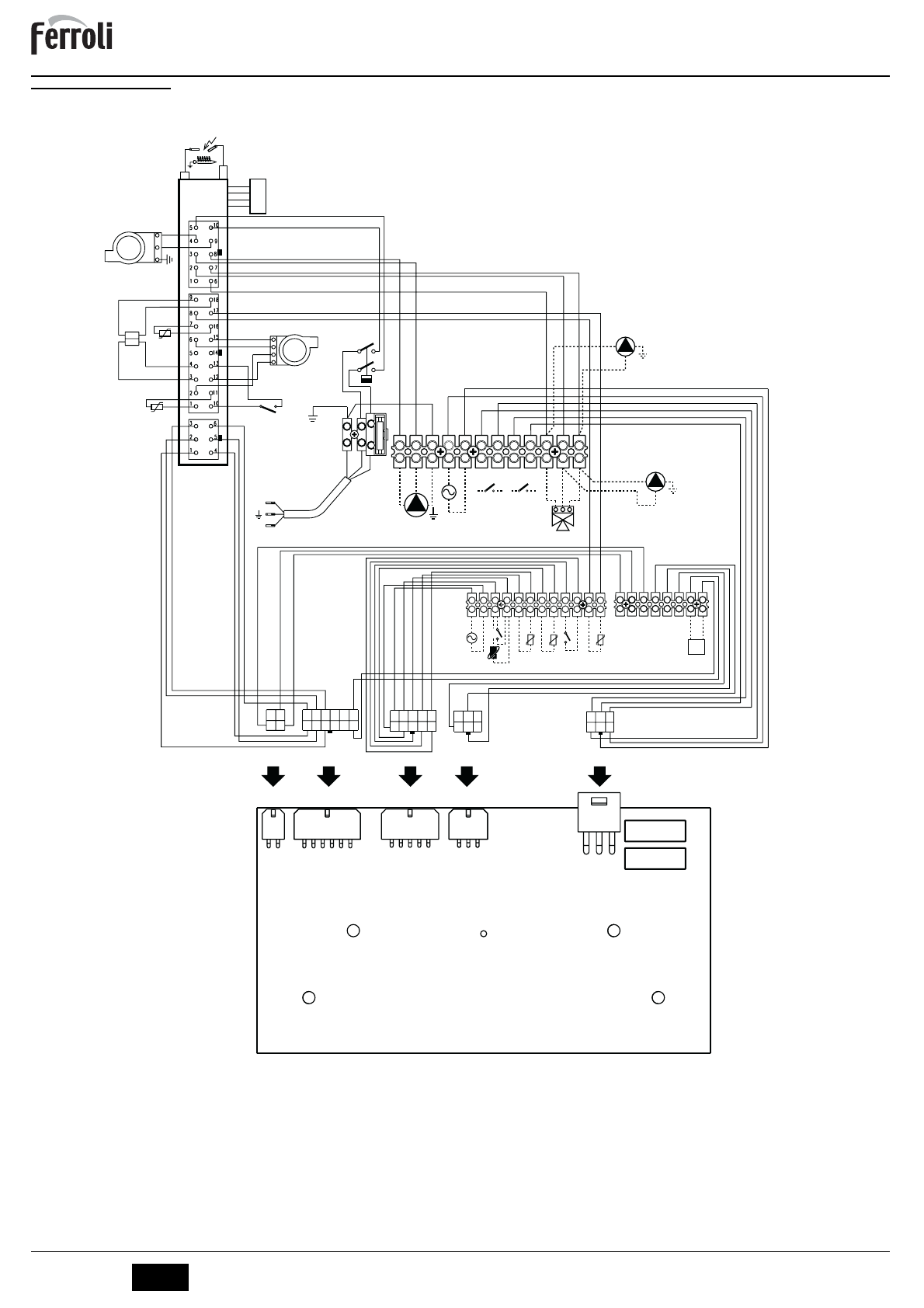
ɗɥɟɤɬɪɢɱɟɫɤɚɹ ɫɯɟɦɚ
ɪɢɫ
. 42 -
ɗɥɟɤɬɪɢɱɟɫɤɚɹ ɫɯɟɦɚ
256
299
138
298
72B
155
139
OUT
GND
130/307
306
32
302
300
301
95
(
(
)
)
98
16
114
186
278
191
16
82
81
44
V1
V2
L
M
230V
50Hz
DSP12A
X01
X04
X03
X05
72
4 5 6 7 8 9
10 11 12 13
1 4 1 5
A B C
28 29 30 31 32 33
1 6 1 7 1 8 1 9 2 0 2 1 2 2 2 3 2 4 2 5 2 6 2 7
34 35
FUSE
3.15A
DBM12KA
X1
X3
X2
1
1
2
2
3
4
5
6
1
2
3
4
5
1
2
3
4
5
6
6
7
8
9
10
7
8
9
10
11
12
3
4
1
2
3
4
5
6
DBM12RA