Котел Ferroli Econcept 15 25A - инструкция пользователя по применению, эксплуатации и установке на русском языке. Мы надеемся, она поможет вам решить возникшие у вас вопросы при эксплуатации техники.
Если остались вопросы, задайте их в комментариях после инструкции.
"Загружаем инструкцию", означает, что нужно подождать пока файл загрузится и можно будет его читать онлайн. Некоторые инструкции очень большие и время их появления зависит от вашей скорости интернета.

35
4.6
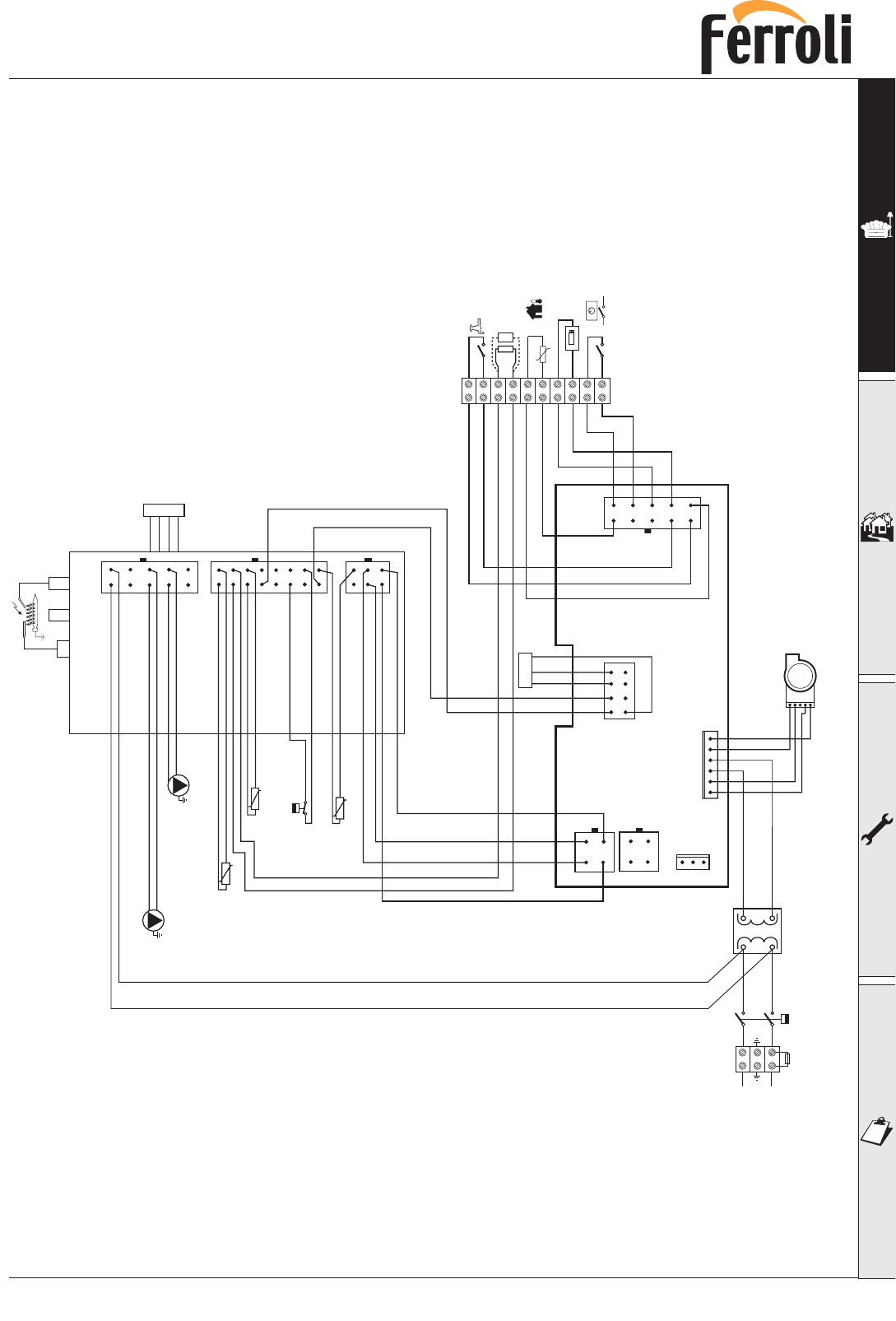
Электрическая
схема
Рис
. 22
Условные
обозначения
16
Вентилятор
32
Циркуляционный
насос
системы
отопления
34
Датчик
температуры
системы
отопления
44
Газовый
клапан
49
Предохранительный
термостат
72
Термостат
комнатной
температуры
81
Электрод
розжига
82
Электрод
контроля
факела
98
Выключатель
130
Циркуляционный
насос
ГВС
137
Датчик
давления
138
Датчик
температуры
наружного
воздуха
139
Регулятор
(
таймер
)
комнатной
температуры
155
Температурный
датчик
бойлера
186
Датчик
температуры
обратного
контура
191
Датчик
температуры
дымовых
газов
202
Трансформатор
ECONCEPT 15-25
А
14
25
36
19
21
0
31
1
41
2
51
3
61
4
71
5
81
6
16
27
38
49
51
0
V1
V2
T
72
138
139
10
5
94
83
72
61
4
2
3
1
L
N
7
3
6
2
5
1
8
4
GND
5
В
OUT
123456
4
2
3
1
24
В
DC
24
В
DC-
155
44
81
82
98
16
ЭКО
/
КОМФОРТ
202
32
130
34
49
X1
X2
230
В
24
В
186
191
X5
X3
137
X1
X12
X11
X7
X6
N
L
230
В
F2A
ДИСПЛЕЙ
