Котел Ferroli Divatop HF 32 - инструкция пользователя по применению, эксплуатации и установке на русском языке. Мы надеемся, она поможет вам решить возникшие у вас вопросы при эксплуатации техники.
Если остались вопросы, задайте их в комментариях после инструкции.
"Загружаем инструкцию", означает, что нужно подождать пока файл загрузится и можно будет его читать онлайн. Некоторые инструкции очень большие и время их появления зависит от вашей скорости интернета.

DIVAtop HF 32
121
RU
cod. 3540L070 - 03/2008 (Rev. 00)
4.6 [ "
. 33 - [ "
A
$ "
: %*%) ?!)>&<1%5$%=
"' "
$&$
)
+5$=$"% ?%*%=@1>; 5( )!+>%
(X$=!#.
16
%5"$&-"!*
32
$*>;&-h$!55@[ 5(+!+ +$+"%=@ !"!?&%5$-
43
%&% )(#&%5$- #!);`(
44
(!#@[ >&(?(5
47
%;&-"!* Modureg
72
!=5("5@[ "%*=!+"("
81
!)X$(<6$[/+&%)-6$[ ]&%>"*!)
95
"#!)5![ >&(?(5
138
("1$> 5(*;X5![ "%=?%*(";*@
139
+"*![+"#! )$+"(5h$!55!! ;?*(#&%5$- +
"([=%*!= (OpenTherm)
246
("1$> )(#&%5$-
278
#![5![ )("1$> (?*%)!`*(5$"%&'5@[ +
"%=?%*(";*@ #!)@ # +$+"%=% !"!?&%5$-)
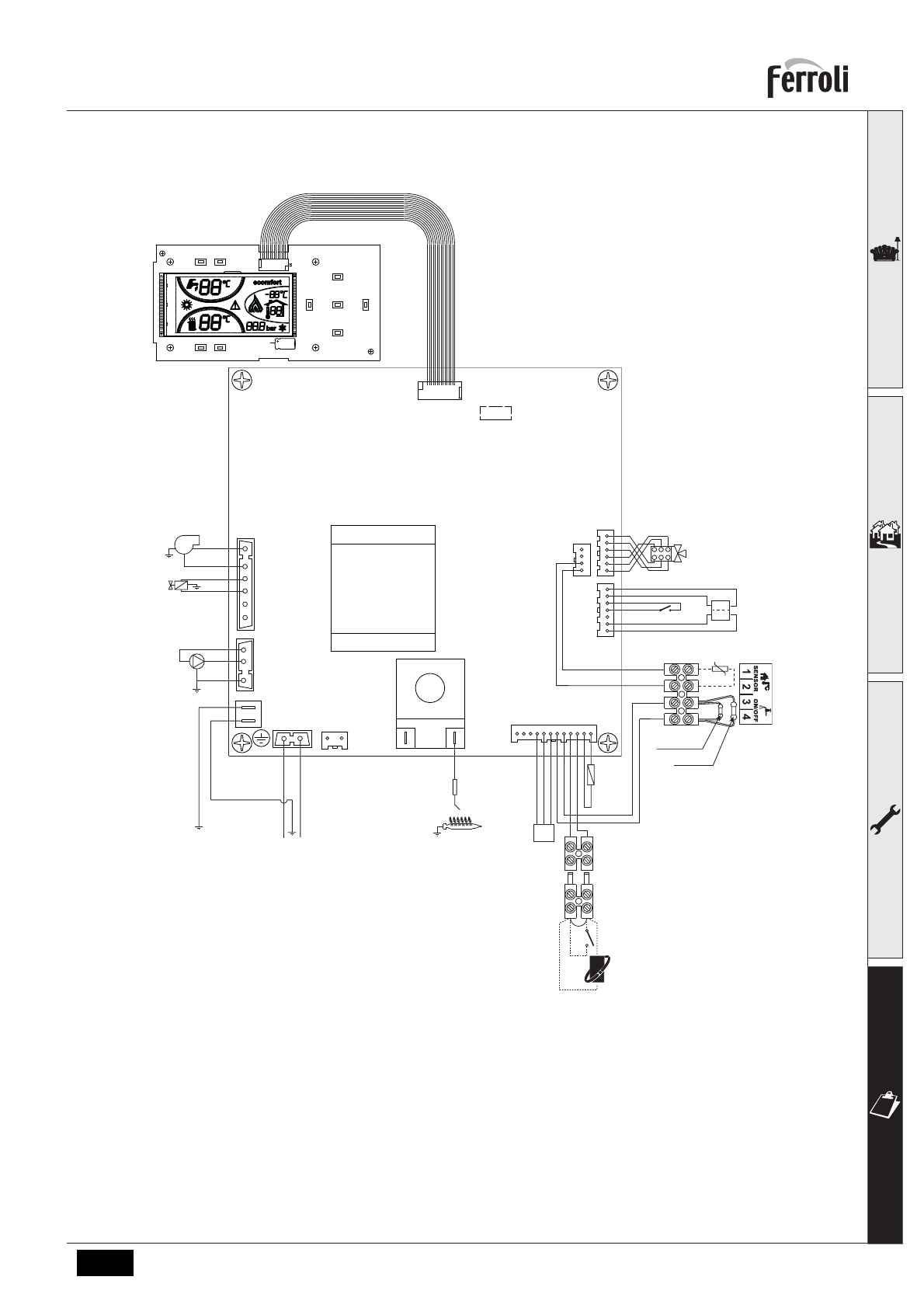
LCD
X8
PROG
X10
X7
X9
X6
X5
X2
X1
L
aux
N
L
main
N
X3
X4
TR1
T2
X11
DBM03
81
°
T
°
T
278
43
7
6
5
4
3
2
1
9 8 7 6 5 4 3 2 1
12 11 10
47
246
OUT
+5V
GND
L
N
230V
50Hz
1
2
3
1
2
3
4
5
6
32
44
16
95
6
5
4
3
2
1
4
3
2
1
DSP05
72
139
10kOhm
1.8kOhm
138
1
2